• .
  • Willkommen im Forum!
  • Alles beim Alten...
  • Du hast kaum etwas verpasst ;-)
  • Jetzt noch sicherer mit HTTPS
Hallo, Gast! Anmelden Registrieren


PM5138 Funktionsgenerator reparatur
#1
Hallo Zusammen,

schon lange habe ich einen defekten Funktionsgenerator im Keller liegen den ich reparieren möchte. Inzwischen will ich das Thema ernsthaft angehen und hab mir das Service-Manual besorgt:

Service_Manual

Beim Trafo ist eine Wicklung (120V) durch, so das ich ihn erst mal an einem 110er Trafo angeschlossen habe. Bevor ich nach nem neuen ausschau halte oder einen wickeln lasse sollte der Rest natürlich auch funktionieren. Also alle Units abgeklemmt und erst mal die Spannungen gemessen. Das sieht erst mal gut aus. Laut Beschreibung sollte der 5138 mit +-26 Volt arbeiten. Ist bei meinem Gerät definitiv nicht der Fall. Hier sind es nur +-16.5 Volt. Die beiden Spannungsregler UA78GU1C und UA79GU1C sind lt. Widerstände auf 16.5 Volt ausgelegt. Ok, der 36er arbeitet lt. Service Manual mit +-16.5Volt. Also hab ich die restlichen Units dran gehängt. Er bootet und zeig beim Selbsttest keine Fehler. Am Ausgang kommt aber erst mal nicht viel raus außer Gleichspannung.

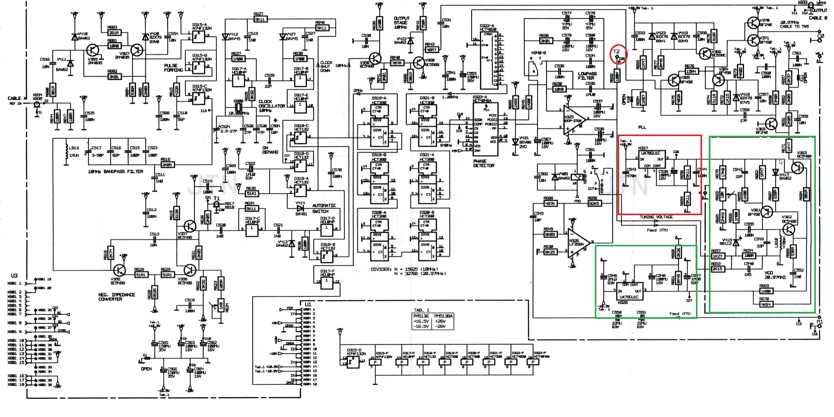
Also hab ich mal angefangen das SM durchzuarbeiten. Auf 8.3.2 soll man nun die Spannung an T2 messen. Hier habe ich aber nicht mal annähernd die 0.x Volt sondern -9 Volt. Auf Fig.105 sehe ich das der VCO von N327 und N328 versorgt wird. Hier hab ich beim 328 -8Volt gemessen. Sollt lt. Widerständen auch passen. Beim N327 messe ich allerdings nur +5Volt. Laut Widerstände sollten es hier aber 10 Volt sein. Ich habe die Widerstände ausgelötet und durchgemessen > passt. Den 78gu1 hab ich auch ausgelötet und getestet > passt auch > +10Volt. Jetzt komme ich nicht mehr richtig weiter. Habt Ihr ne Idee?

Was ich gerade sehe: ich könnte mal schauen ob die 20Mhz an C0 raus kommen, denke aber nicht. Die 2Mhz & 10Mhz passen.

Gruß Markus
 
Reply
#2
Die Pläne sind nicht besonders übersichtlich. Negative Spannungen wo eigentlich 0V sein sollten, klingt für mich nach einem kaputten OPV. Da ich T2 auf dem Schaltplan nicht finde, habe ich keine Idee ;-).
 
Reply
#3
Photo 
Hi,

ich weiß dass das nicht sonderlich übersichtlich ist, daher hab ich mal das Bild aus den Unterlagen heraus kopiert. Da hab ich den Messpunkt T2 und die beiden Spannungsregler markiert. Ebenso den VCO der ja die 20mhz generieren sollte.


Angehängte Dateien Thumbnail(s)
   
 
Reply
#4
ok, da ich das Bild jetzt auch auf meinem raspi sehen kann....

also: erstmal müssen die Betriebsspannungen stimmen. hast du ja auch geprüft...nur statt +10 sind +5V da -- right?
dann bohren wir erst da weiter: ich würde C539 prüfen, wenn der nen Schluss hat, macht der Regler 5V.
wenns ein Tantal ist....hau raus. ansonsten ohne power dran mal mit Ohmmeter prüfen, ob der C noch ein C ist.
dann , wenn 10V da sind, sehen wir weiter.
+
wird ein Regler sehr warm?  (ich würde in der Firma einfach mit der Wärmekamera kurz drauf gucken...aber sowas hat man ja nicht unbedingt immer griffbereit.  Wink )
+
macht der VCO was ? 20 MHz ?
    Don't worry about getting older.  You're still gonna do dumb stuff...only slower.
 
Reply
#5
Moin,

rischdig: statt 10 volt sind es nur 5 Volt

ir hab ich mal angehängt, aber die beiden Regler werden nicht sonderlich warm.

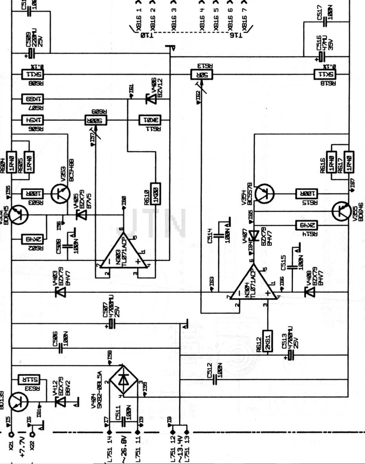
Was mich wundert ist V352, den siehst Du auf dem zweiten Bild. Der wird, mit knapp 100 Grad, doch recht sportlich warm. Laut Plan sollte der für´s Backlight Current zuständig sein. Meine Platine sieht hier aber etwas anders aus.

Gruß Markus

Und hier das Schaltbild dazu (rechts oben der stromregler für´s Display):


Angehängte Dateien Thumbnail(s)
           
 
Reply
#6
Den C werde ich mir noch anschauen. Bin leider gestern nicht mehr dazu gekommen.
 
Reply
#7
Hi,

C539 die Sau...danke für den Hinweis.


Angehängte Dateien Bild(er)
   
 
Reply
#8
Hi,

da das Teil wieder lebt brauche ich einen neuen Trafo. Hat da jemand eine Idee? Abwickeln will ich den alten eigentlich nicht. Dafür bekommt man neue zu günstig. Ich denke die Spannungen können hier auch etwas abweichen. Die Spannungsregler vertragen bis 40 Volt.

1 x 0 - 8 Volt (3-4)
1 x 0 - 8.4 Volt (8-9)
1 x 26.8 - 0 - 26.8 Volt (11-12/13-14)
1 x 27 - 0 - 27 Volt (15-16/17-18)

Was mich wundert ist das die +-10 Volt von Klemme 11,12,13,14 (+- 26.8 Volt) generiert werden. VCC vom OP sind wohl bis 36 Volt. Aber das hätte man doch auch mit weniger Verlusten, also kleinerer Eingangsspannung, realisieren können. Hat das einen bestimmten Grund wieso man hier die Regelung mit OP´s realisiert und nicht mit Spannungsreglern?

Gruß Markus


Angehängte Dateien Thumbnail(s)
       
 
Reply
#9
Vielleicht gabs damals noch nichts gescheites bezüglich PSRR/CMRR bei 10Mhz.
 
Reply
#10
soweit also erstmal erfolgreiche Reparatur !  ;prost


die +-10 Volt kommen von 2 x 13V AC , also nicht so ungewöhnlich.  Tongue

+
die opamps statt fertige Regler - kann sein, wie Chris meint, dass es für diesen Zweck zb eine rauscharme Versorgung sein sollte , besser als die 78xx Typen eben.
    Don't worry about getting older.  You're still gonna do dumb stuff...only slower.
 
Reply
#11
(08.03.2018, 08:40 PM)alfsch schrieb: soweit also erstmal erfolgreiche Reparatur !  ;prost


die +-10 Volt kommen von 2 x 13V AC , also nicht so ungewöhnlich.  Tongue

+
die opamps statt fertige Regler - kann sein, wie Chris meint, dass es für diesen Zweck zb eine rauscharme Versorgung sein sollte , besser als die 78xx Typen eben.

Moin,

danke noch mal für die Hilfe....

Du hast Recht, die 10 Volt kommen von den 13 Volt, da hab ich auf dem kleinen Tablett nicht richtig geschaut. So sollte es dann passen:

1 x 0 - 8 Volt (3-4)
1 x 0 - 8.4 Volt (8-9)
1 x 13.4 - 0 - 13.4 Volt (11-12/13-14)
1 x 27 - 0 - 27 Volt (15-16/17-18)

Ich schaue mir mal noch den alten Trafo genauer an. Vielleicht wickle ich ihn auch mal ab. In meiner Jugendzeit mußten wir auch Trafos von Hand wickeln. War kacke, aber mit ner Wickelhilfe sollte das gehen. Die 120 Volt Primärwicklung hat keinen Durchgang mehr. 
 
Reply
#12
jo...gerne doch .  Smile

+
wenn der Trafo zerlegbar ist (nicht vergossen, geschweisst..) und du eh gewisse Erfahrung damit hast - repariere ihn doch.
evtl ist ja nur der Anschluss der Wicklung defekt oder hat dort nen Draht-Bruch;

zum Wickeln könnte sowas hilfreich sein:

https://www.ebay.de/itm/990723A-Hand-Dop...1438.l2649

[Bild: 23a1793c-966c-4a43-a3bd-44ee79d1da66.jpg]

habe ich mir schon selbst überlegt, so ein Ding zu kaufen... Tongue
    Don't worry about getting older.  You're still gonna do dumb stuff...only slower.
 
Reply
#13
Hi,

das Ding sieht nicht schlecht aus. Sicherlich sehr brauchbar wenn man soetwas regelmäßig macht. Ich habe meine kleine Drehbank als Hilfe missbraucht. Der Trafo hatte einen Drahtbruch. Ist nun wieder zusammen und verrichtet klaglos seinen Dienst...


Angehängte Dateien Thumbnail(s)
   
 
Reply
#14
;prost  perfekt !
    Don't worry about getting older.  You're still gonna do dumb stuff...only slower.
 
Reply
#15
Hallo,

bei mir steht auch eine Reparatur eines PM5138 an.
Allerdings mit dem Fehler "Err 1" im Display.
Laut Bedienungsanleitung ist der Programmspeicher defekt.
Ein EPROM kann ich mir organisieren, aber an das entsprechende HEX-File komme ich nicht heran.
Auf dem EPROM steht "V 1.3", im Display wird auch kurz "1.3" angezeigt.
Hat jemand eine Idee?

Danke und Gruß
Stefan
 
Reply
#16
Entweder noch eins besorgen, oder einen passenden Prom ausleihen und kopieren. Eventuell hilft ja schon neu stecken, wenn die Kontakte altersschwach/hochohmig sind?
 
Reply
#17
Vielleicht finde ich einen bei der Arbeit, sieht ja bekannt aus das Gerät.
 
Reply
#18
Nach jahrzehnten zeigen die IC-Sockel Kontaktprobleme. Einmal rausziehen und wieder einsetzen hilft da oft. Vor allem auch bei PLCC-Sockeln!
...mit der Lizenz zum Löten!
 
Reply
#19
Vielen Dank für die Tipps.
Es handelt sich um ein EPROM im DIL-Sockel.
Raus und wieder rein habe ich probiert, hat aber leider nichts gebracht.
Der Speicher scheint wirklich defekt zu sein.
Ich hätte sogar noch die Möglichkeit so ein Ding zu programmieren.
Ein Gerät zum Kopieren finde ich leider nicht.
Es wäre aber schon schade drum.
Wenn noch jemand einen Rat hat, wäre ich echt dankbar.
 
Reply
#20
Ich schau mal, irgendwo an der Hochschule wird so nen Teil stehen. Kann aufgrund Corona aber ein bisschen dauern.
 
Reply