• .
  • Willkommen im Forum!
  • Alles beim Alten...
  • Du hast kaum etwas verpasst ;-)
  • Jetzt noch sicherer mit HTTPS
Hallo, Gast! Anmelden Registrieren


Experimente: Coulombkraft
#67
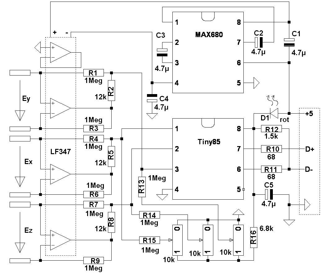
Alfsch erzählte hier viel von Feldern. Ich hatte da mal vor Vixra intensiv gefuddelt. Normalerweise benutzt man "Feldmühlen". Bei den Dingern wird mit einem Motor ein segmentierter Schirm vor einer Elektrode so bewegt, dass er das E-Feld chpppert. Die dadurch entstehende Wechselspannung wird phasensynchron verstärkt und angezeigt.

Die Mechanik nervte.

Mir gelang es ohne Mechanik.

Jede Feldelektrode differenziert (durch unvermeidliche Widerstände) das Feld. Ich integriere einfach die Spannung der Feldelektrode(n).  Dadurch wird die Integration kompensiert. Vor der Messung bewahrt man die Elektrode im Alubeutel auf, damit die Kiste beim Bestromen feldfrei ist.

Das war so simpel. dass ich gleich alle drei Koordinaten erfasst hab. Also drei Feldmühlen sozusagen. Und der enthaltene Controller integriert nicht nur, sondern spielt auch noch USB-Tastatur, so dass die drei Messwerte (+Tiny-Temperatur) gleich in Excel landen.

   

Software such ich auf Anfrage.

Die Kiste lief super. Richtig anfangen konnte ich damit aber nichts.

Wenn ich heutzutage mal Felder messen muss, nehm ich den Diodenchopper Mit kleiner Zusatzkapazität am Eingang (auch gut zur Entbrummung) hat der Zeitkonstanten im Stundenbereich. Hier im Thread hatte ich das Ding auch mal verwnedet, als ich das Feld des Tubus berührungsfrei vermessen hatte.
 
Reply
  


Nachrichten in diesem Thema
Experimente: Coulombkraft - von Gucki - 22.07.2024, 01:23 PM
RE: Alte Holzmichel - von kahlo - 22.07.2024, 04:10 PM
RE: Alte Holzmichel - von alfsch - 28.07.2024, 03:23 PM
RE: Alte Holzmichel - von Gucki - 29.07.2024, 09:21 AM
RE: Alte Holzmichel - von wellenkino - 02.08.2024, 10:18 AM
RE: Alte Holzmichel - von Gucki - 07.08.2024, 06:40 AM
RE: Alte Holzmichel - von voltwide - 22.07.2024, 11:34 PM
RE: Alte Holzmichel - von wellenkino - 27.07.2024, 03:12 PM
RE: Alte Holzmichel - von alfsch - 27.08.2024, 09:54 AM
RE: Alte Holzmichel - von Gucki - 28.08.2024, 06:56 AM
RE: Alte Holzmichel - von alfsch - 28.08.2024, 09:41 AM
RE: Alte Holzmichel - von Gucki - 28.08.2024, 03:38 PM
RE: Alte Holzmichel - von alfsch - 28.08.2024, 09:49 PM
RE: Alte Holzmichel - von Gucki - 29.08.2024, 03:59 AM
RE: Alte Holzmichel - von alfsch - 29.08.2024, 12:55 PM
RE: Alte Holzmichel - von Gucki - 29.08.2024, 01:05 PM
RE: Alte Holzmichel - von alfsch - 29.08.2024, 01:36 PM
RE: Alte Holzmichel - von Gucki - 29.08.2024, 03:03 PM
RE: Alte Holzmichel - von alfsch - 29.08.2024, 03:26 PM
RE: Alte Holzmichel - von Gucki - 29.08.2024, 05:06 PM
RE: Alte Holzmichel - von Gucki - 29.08.2024, 05:21 PM
RE: Alte Holzmichel - von alfsch - 29.08.2024, 07:42 PM
RE: Alte Holzmichel - von Gucki - 30.08.2024, 04:05 AM
RE: Alte Holzmichel - von Gucki - 30.08.2024, 05:48 AM
RE: Alte Holzmichel - von Gucki - 30.08.2024, 06:09 AM
RE: Alte Holzmichel - von Gucki - 30.08.2024, 08:05 AM
RE: Alte Holzmichel - von alfsch - 30.08.2024, 09:26 AM
RE: Alte Holzmichel - von Gucki - 30.08.2024, 12:56 PM
RE: Alte Holzmichel - von alfsch - 31.08.2024, 02:11 PM
RE: Alte Holzmichel - von alfsch - 07.09.2024, 07:57 PM
RE: Alte Holzmichel - von Gucki - 12.09.2024, 12:47 PM
RE: Alte Holzmichel - von Gucki - 12.09.2024, 05:52 PM
RE: Alte Holzmichel - von alfsch - 12.09.2024, 06:18 PM
RE: Alte Holzmichel - von Gucki - 12.09.2024, 07:06 PM
RE: Alte Holzmichel - von alfsch - 12.09.2024, 08:25 PM
RE: Alte Holzmichel - von E_Tobi - 12.09.2024, 08:26 PM
RE: Alte Holzmichel - von alfsch - 12.09.2024, 09:00 PM
RE: Alte Holzmichel - von E_Tobi - 12.09.2024, 09:03 PM
RE: Alte Holzmichel - von alfsch - 12.09.2024, 09:43 PM
RE: Alte Holzmichel - von Gucki - 13.09.2024, 03:00 AM
RE: Alte Holzmichel - von Gucki - 13.09.2024, 05:14 AM
RE: Alte Holzmichel - von Gucki - 13.09.2024, 10:11 AM
RE: Alte Holzmichel - von alfsch - 13.09.2024, 11:11 AM
RE: Alte Holzmichel - von Gucki - 13.09.2024, 11:57 AM
RE: Alte Holzmichel - von Gucki - 13.09.2024, 11:44 AM
RE: Alte Holzmichel - von Gucki - 13.09.2024, 12:52 PM
RE: Alte Holzmichel - von alfsch - 13.09.2024, 01:32 PM
RE: Alte Holzmichel - von Gucki - 13.09.2024, 03:46 PM
RE: Alte Holzmichel - von Gucki - 14.09.2024, 03:53 AM
RE: Alte Holzmichel - von Gucki - 14.09.2024, 06:09 AM
RE: Alte Holzmichel - von alfsch - 14.09.2024, 09:20 AM
RE: Alte Holzmichel - von Gucki - 14.09.2024, 11:02 AM
RE: Alte Holzmichel - von alfsch - 14.09.2024, 11:41 AM
RE: Alte Holzmichel - von Gucki - 14.09.2024, 11:49 AM
RE: Alte Holzmichel - von Gucki - 14.09.2024, 12:23 PM
RE: Alte Holzmichel - von alfsch - 14.09.2024, 01:10 PM
RE: Alte Holzmichel - von Gucki - 14.09.2024, 05:34 PM
RE: Alte Holzmichel - von E_Tobi - 14.09.2024, 02:02 PM
RE: Alte Holzmichel - von alfsch - 14.09.2024, 04:18 PM
RE: Alte Holzmichel - von Gucki - 14.09.2024, 04:56 PM
RE: Alte Holzmichel - von alfsch - 14.09.2024, 06:07 PM
RE: Alte Holzmichel - von Gucki - 14.09.2024, 06:45 PM
RE: Alte Holzmichel - von alfsch - 14.09.2024, 07:25 PM
RE: Alte Holzmichel - von Gucki - 14.09.2024, 08:39 PM
RE: Alte Holzmichel - von Gucki - 15.09.2024, 11:44 AM
RE: Alte Holzmichel - von Gucki - 15.09.2024, 11:59 AM
RE: Alte Holzmichel - von Gucki - 15.09.2024, 12:27 PM
RE: Alte Holzmichel - von alfsch - 15.09.2024, 08:22 PM
RE: Alte Holzmichel - von voltwide - 15.09.2024, 09:11 PM
RE: Alte Holzmichel - von Gucki - 16.09.2024, 02:39 AM
RE: Alte Holzmichel - von Gucki - 16.09.2024, 03:53 AM
RE: Alte Holzmichel - von Gucki - 16.09.2024, 03:17 AM
RE: Alte Holzmichel - von Gucki - 16.09.2024, 04:40 AM
RE: Alte Holzmichel - von alfsch - 16.09.2024, 09:00 AM
RE: Alte Holzmichel - von Gucki - 16.09.2024, 09:50 AM
RE: Alte Holzmichel - von Gucki - 17.09.2024, 08:54 AM
RE: Alte Holzmichel - von christianw. - 18.09.2024, 11:47 AM
RE: Alte Holzmichel - von Gucki - 19.09.2024, 03:06 AM
RE: Alte Holzmichel - von alfsch - 17.09.2024, 10:27 AM
RE: Alte Holzmichel - von Gucki - 17.09.2024, 11:45 AM
RE: Alte Holzmichel - von Gucki - 17.09.2024, 11:59 AM
RE: Alte Holzmichel - von Gucki - 17.09.2024, 03:18 PM
RE: Alte Holzmichel - von alfsch - 17.09.2024, 07:25 PM
RE: Alte Holzmichel - von Gucki - 18.09.2024, 02:51 AM
RE: Alte Holzmichel - von Gucki - 18.09.2024, 03:26 AM
RE: Alte Holzmichel - von Gucki - 18.09.2024, 04:09 AM
RE: Alte Holzmichel - von Gucki - 18.09.2024, 07:26 AM
RE: Alte Holzmichel - von alfsch - 18.09.2024, 10:01 AM
RE: Alte Holzmichel - von Gucki - 18.09.2024, 11:40 AM
RE: Alte Holzmichel - von alfsch - 18.09.2024, 11:46 AM
RE: Alte Holzmichel - von Gucki - 18.09.2024, 02:25 PM
RE: Alte Holzmichel - von Gucki - 18.09.2024, 03:01 PM
RE: Alte Holzmichel - von alfsch - 18.09.2024, 03:15 PM
RE: Alte Holzmichel - von Gucki - 18.09.2024, 06:30 PM
RE: Alte Holzmichel - von alfsch - 18.09.2024, 06:54 PM
RE: Alte Holzmichel - von Gucki - 18.09.2024, 06:55 PM
RE: Alte Holzmichel - von Gucki - 18.09.2024, 07:10 PM
RE: Alte Holzmichel - von alfsch - 18.09.2024, 07:07 PM
RE: Alte Holzmichel - von Gucki - 18.09.2024, 07:23 PM
RE: Alte Holzmichel - von Gucki - 18.09.2024, 07:39 PM
RE: Alte Holzmichel - von alfsch - 18.09.2024, 08:20 PM
RE: Alte Holzmichel - von alfsch - 18.09.2024, 09:01 PM
RE: Alte Holzmichel - von Gucki - 19.09.2024, 02:11 AM
RE: Alte Holzmichel - von Gucki - 19.09.2024, 03:54 AM
RE: Alte Holzmichel - von Gucki - 19.09.2024, 08:34 AM
RE: Alte Holzmichel - von alfsch - 19.09.2024, 09:19 AM
RE: Alte Holzmichel - von Gucki - 19.09.2024, 10:24 AM
RE: Alte Holzmichel - von alfsch - 19.09.2024, 11:05 AM
RE: Alte Holzmichel - von Gucki - 19.09.2024, 11:28 AM
RE: Alte Holzmichel - von alfsch - 19.09.2024, 11:54 AM
RE: Alte Holzmichel - von Gucki - 19.09.2024, 12:14 PM
RE: Alte Holzmichel - von alfsch - 19.09.2024, 12:35 PM
RE: Alte Holzmichel - von Gucki - 19.09.2024, 01:00 PM
RE: Alte Holzmichel - von alfsch - 19.09.2024, 02:19 PM
RE: Alte Holzmichel - von Gucki - 19.09.2024, 03:46 PM
RE: Alte Holzmichel - von Gucki - 19.09.2024, 04:31 PM
RE: Alte Holzmichel - von Gucki - 19.09.2024, 05:39 PM
RE: Alte Holzmichel - von alfsch - 19.09.2024, 07:53 PM
RE: Alte Holzmichel - von Gucki - 20.09.2024, 03:01 AM
RE: Alte Holzmichel - von christianw. - 20.09.2024, 07:38 AM
RE: Alte Holzmichel - von Gucki - 20.09.2024, 08:12 AM
RE: Alte Holzmichel - von alfsch - 20.09.2024, 08:30 AM
RE: Alte Holzmichel - von Gucki - 20.09.2024, 08:50 AM
RE: Alte Holzmichel - von Gucki - 20.09.2024, 09:17 AM
RE: Alte Holzmichel - von alfsch - 20.09.2024, 09:26 AM
RE: Alte Holzmichel - von Gucki - 20.09.2024, 10:02 AM
RE: Alte Holzmichel - von Gucki - 20.09.2024, 10:42 AM
RE: Alte Holzmichel - von alfsch - 20.09.2024, 12:04 PM
RE: Alte Holzmichel - von Gucki - 20.09.2024, 12:52 PM
RE: Alte Holzmichel - von alfsch - 20.09.2024, 11:47 AM
RE: Alte Holzmichel - von alfsch - 20.09.2024, 01:05 PM
RE: Alte Holzmichel - von Gucki - 20.09.2024, 01:28 PM
RE: Alte Holzmichel - von alfsch - 20.09.2024, 01:48 PM
RE: Alte Holzmichel - von Gucki - 20.09.2024, 02:18 PM
RE: Alte Holzmichel - von Gucki - 20.09.2024, 01:53 PM
RE: Alte Holzmichel - von alfsch - 20.09.2024, 02:00 PM
RE: Alte Holzmichel - von Gucki - 20.09.2024, 02:46 PM
RE: Alte Holzmichel - von alfsch - 20.09.2024, 03:35 PM
RE: Alte Holzmichel - von Gucki - 20.09.2024, 03:42 PM
RE: Alte Holzmichel - von alfsch - 20.09.2024, 04:02 PM
RE: Alte Holzmichel - von Gucki - 20.09.2024, 04:19 PM
RE: Alte Holzmichel - von alfsch - 20.09.2024, 04:25 PM
RE: Alte Holzmichel - von Gucki - 20.09.2024, 04:46 PM
RE: Alte Holzmichel - von Gucki - 20.09.2024, 04:34 PM
RE: Alte Holzmichel - von alfsch - 20.09.2024, 04:39 PM
RE: Alte Holzmichel - von alfsch - 20.09.2024, 04:59 PM
RE: Alte Holzmichel - von Gucki - 20.09.2024, 05:55 PM
RE: Alte Holzmichel - von Gucki - 21.09.2024, 02:23 AM
RE: Alte Holzmichel - von Gucki - 21.09.2024, 03:42 AM
RE: Alte Holzmichel - von Gucki - 21.09.2024, 05:00 AM
RE: Alte Holzmichel - von Gucki - 21.09.2024, 07:44 AM
RE: Alte Holzmichel - von alfsch - 21.09.2024, 11:28 AM
RE: Alte Holzmichel - von Gucki - 21.09.2024, 12:12 PM
RE: Alte Holzmichel - von Gucki - 21.09.2024, 01:34 PM
RE: Alte Holzmichel - von alfsch - 21.09.2024, 02:08 PM
RE: Alte Holzmichel - von Gucki - 21.09.2024, 02:46 PM
RE: Alte Holzmichel - von voltwide - 21.09.2024, 04:58 PM
RE: Alte Holzmichel - von Gucki - 21.09.2024, 06:03 PM
RE: Alte Holzmichel - von Gucki - 21.09.2024, 02:58 PM
RE: Alte Holzmichel - von alfsch - 21.09.2024, 05:40 PM
RE: Alte Holzmichel - von Gucki - 21.09.2024, 05:47 PM
RE: Alte Holzmichel - von alfsch - 21.09.2024, 05:52 PM
RE: Alte Holzmichel - von alfsch - 21.09.2024, 08:24 PM
RE: Alte Holzmichel - von Gucki - 22.09.2024, 02:22 AM
RE: Alte Holzmichel - von Gucki - 22.09.2024, 06:44 AM
RE: Alte Holzmichel - von Gucki - 22.09.2024, 08:24 AM
RE: Alte Holzmichel - von Gucki - 22.09.2024, 10:44 AM
RE: Alte Holzmichel - von alfsch - 22.09.2024, 12:50 PM
RE: Alte Holzmichel - von Gucki - 22.09.2024, 02:21 PM
RE: Alte Holzmichel - von Gucki - 22.09.2024, 02:40 PM
RE: Alte Holzmichel - von alfsch - 22.09.2024, 04:42 PM
RE: Alte Holzmichel - von Gucki - 22.09.2024, 05:12 PM
RE: Alte Holzmichel - von alfsch - 22.09.2024, 06:04 PM
RE: Alte Holzmichel - von Gucki - 22.09.2024, 06:39 PM
RE: Alte Holzmichel - von alfsch - 22.09.2024, 07:13 PM
RE: Alte Holzmichel - von Gucki - 22.09.2024, 07:54 PM
RE: Alte Holzmichel - von Gucki - 23.09.2024, 04:49 AM
RE: Alte Holzmichel - von alfsch - 23.09.2024, 04:42 PM
RE: Alte Holzmichel - von christianw. - 23.09.2024, 09:10 PM
RE: Alte Holzmichel - von alfsch - 24.09.2024, 11:31 AM
RE: Alte Holzmichel - von Gucki - 24.09.2024, 01:11 PM
RE: Alte Holzmichel - von alfsch - 24.09.2024, 09:02 PM
RE: Alte Holzmichel - von Gucki - 25.09.2024, 02:45 AM
RE: Alte Holzmichel - von alfsch - 25.09.2024, 10:10 AM
RE: Alte Holzmichel - von Gucki - 25.09.2024, 11:29 AM
RE: Alte Holzmichel - von Gucki - 25.09.2024, 03:10 PM
RE: Alte Holzmichel - von Gucki - 25.09.2024, 05:42 PM
RE: Alte Holzmichel - von Gucki - 26.09.2024, 09:48 AM
RE: Alte Holzmichel - von alfsch - 26.09.2024, 10:33 AM
RE: Alte Holzmichel - von Gucki - 25.09.2024, 03:57 PM
RE: Alte Holzmichel - von alfsch - 25.09.2024, 04:11 PM
RE: Alte Holzmichel - von Gucki - 25.09.2024, 04:14 PM
RE: Alte Holzmichel - von christianw. - 26.09.2024, 10:26 AM
RE: Alte Holzmichel - von Gucki - 26.09.2024, 10:36 AM
RE: Alte Holzmichel - von Gucki - 26.09.2024, 10:51 AM
RE: Alte Holzmichel - von Gucki - 26.09.2024, 11:48 AM
RE: Alte Holzmichel - von Gucki - 26.09.2024, 12:17 PM
RE: Alte Holzmichel - von alfsch - 26.09.2024, 12:50 PM
RE: Alte Holzmichel - von Gucki - 26.09.2024, 06:52 PM
RE: Alte Holzmichel - von alfsch - 26.09.2024, 07:21 PM
RE: Alte Holzmichel - von Gucki - 27.09.2024, 03:12 AM
RE: Alte Holzmichel - von Gucki - 27.09.2024, 04:05 AM
RE: Alte Holzmichel - von Gucki - 27.09.2024, 05:52 AM
RE: Alte Holzmichel - von Gucki - 27.09.2024, 08:28 AM
RE: Alte Holzmichel - von kahlo - 27.09.2024, 09:21 AM
RE: Alte Holzmichel - von Gucki - 27.09.2024, 10:40 AM
RE: Alte Holzmichel - von E_Tobi - 27.09.2024, 12:06 PM
RE: Alte Holzmichel - von alfsch - 27.09.2024, 09:17 AM
RE: Alte Holzmichel - von Gucki - 27.09.2024, 01:58 PM
RE: Alte Holzmichel - von E_Tobi - 27.09.2024, 02:41 PM
RE: Alte Holzmichel - von Gucki - 27.09.2024, 02:57 PM
RE: Alte Holzmichel - von E_Tobi - 27.09.2024, 05:34 PM
RE: Alte Holzmichel - von Gucki - 27.09.2024, 06:25 PM
RE: Alte Holzmichel - von Gucki - 27.09.2024, 06:53 PM
RE: Alte Holzmichel - von alfsch - 27.09.2024, 02:00 PM
RE: Alte Holzmichel - von Gucki - 27.09.2024, 02:14 PM
RE: Alte Holzmichel - von alfsch - 27.09.2024, 02:47 PM
RE: Alte Holzmichel - von alfsch - 27.09.2024, 03:24 PM
RE: Alte Holzmichel - von Gucki - 27.09.2024, 03:59 PM
RE: Alte Holzmichel - von Gucki - 27.09.2024, 04:36 PM
RE: Alte Holzmichel - von Gucki - 27.09.2024, 05:26 PM
RE: Alte Holzmichel - von alfsch - 27.09.2024, 08:12 PM
RE: Alte Holzmichel - von Gucki - 28.09.2024, 02:57 AM
RE: Alte Holzmichel - von Gucki - 28.09.2024, 04:14 AM
RE: Alte Holzmichel - von Gucki - 28.09.2024, 07:06 AM
RE: Alte Holzmichel - von Gucki - 28.09.2024, 08:43 AM
RE: Alte Holzmichel - von Gucki - 28.09.2024, 09:43 AM
RE: Alte Holzmichel - von Gucki - 28.09.2024, 03:01 PM
RE: Alte Holzmichel - von Gucki - 28.09.2024, 03:57 PM
RE: Alte Holzmichel - von alfsch - 28.09.2024, 10:37 AM
RE: Alte Holzmichel - von Gucki - 28.09.2024, 11:04 AM
RE: Alte Holzmichel - von alfsch - 28.09.2024, 11:48 AM
RE: Alte Holzmichel - von E_Tobi - 28.09.2024, 12:27 PM
RE: Alte Holzmichel - von alfsch - 28.09.2024, 12:46 PM
RE: Alte Holzmichel - von Gucki - 28.09.2024, 01:35 PM
RE: Alte Holzmichel - von alfsch - 28.09.2024, 01:49 PM
RE: Alte Holzmichel - von Gucki - 28.09.2024, 02:26 PM
RE: Alte Holzmichel - von Gucki - 28.09.2024, 04:26 PM
RE: Alte Holzmichel - von alfsch - 28.09.2024, 04:49 PM
RE: Alte Holzmichel - von Gucki - 28.09.2024, 05:13 PM
RE: Alte Holzmichel - von Gucki - 28.09.2024, 06:29 PM
RE: Alte Holzmichel - von Gucki - 29.09.2024, 02:44 AM
RE: Alte Holzmichel - von Gucki - 29.09.2024, 04:05 AM
RE: Alte Holzmichel - von Gucki - 29.09.2024, 07:32 AM
RE: Alte Holzmichel - von Gucki - 29.09.2024, 09:59 AM
RE: Alte Holzmichel - von alfsch - 29.09.2024, 10:31 AM
RE: Alte Holzmichel - von Gucki - 29.09.2024, 10:53 AM
RE: Alte Holzmichel - von Gucki - 29.09.2024, 11:21 AM
RE: Alte Holzmichel - von E_Tobi - 29.09.2024, 12:55 PM
RE: Alte Holzmichel - von alfsch - 29.09.2024, 12:30 PM
RE: Alte Holzmichel - von Gucki - 29.09.2024, 01:27 PM
RE: Alte Holzmichel - von alfsch - 29.09.2024, 02:55 PM
RE: Alte Holzmichel - von Gucki - 29.09.2024, 04:02 PM
RE: Alte Holzmichel - von Gucki - 29.09.2024, 06:09 PM
RE: Alte Holzmichel - von Gucki - 29.09.2024, 07:51 PM
RE: Alte Holzmichel - von Gucki - 30.09.2024, 02:48 AM
RE: Alte Holzmichel - von Gucki - 30.09.2024, 07:45 AM
RE: Alte Holzmichel - von alfsch - 30.09.2024, 08:05 AM
RE: Alte Holzmichel - von Gucki - 30.09.2024, 08:40 AM
RE: Alte Holzmichel - von Gucki - 30.09.2024, 10:47 AM
RE: Alte Holzmichel - von Gucki - 30.09.2024, 04:00 PM
RE: Alte Holzmichel - von Gucki - 30.09.2024, 05:04 PM
RE: Alte Holzmichel - von alfsch - 30.09.2024, 05:49 PM
RE: Alte Holzmichel - von Gucki - 30.09.2024, 06:00 PM
RE: Alte Holzmichel - von Gucki - 01.10.2024, 03:39 AM
RE: Alte Holzmichel - von alfsch - 01.10.2024, 12:34 PM
RE: Alte Holzmichel - von Gucki - 01.10.2024, 05:45 AM
RE: Alte Holzmichel - von Gucki - 01.10.2024, 09:41 AM
RE: Alte Holzmichel - von alfsch - 01.10.2024, 12:51 PM
RE: Alte Holzmichel - von Gucki - 01.10.2024, 02:50 PM
RE: Alte Holzmichel - von alfsch - 01.10.2024, 03:55 PM
RE: Alte Holzmichel - von Gucki - 01.10.2024, 05:54 PM
RE: Alte Holzmichel - von alfsch - 01.10.2024, 10:13 PM
RE: Alte Holzmichel - von alfsch - 01.10.2024, 11:06 PM
RE: Alte Holzmichel - von Gucki - 02.10.2024, 03:40 AM
RE: Alte Holzmichel - von Gucki - 02.10.2024, 08:02 AM
RE: Alte Holzmichel - von alfsch - 02.10.2024, 12:18 PM
RE: Alte Holzmichel - von Gucki - 02.10.2024, 02:31 PM
RE: Alte Holzmichel - von Gucki - 02.10.2024, 04:44 PM
RE: Alte Holzmichel - von Gucki - 02.10.2024, 06:48 PM
RE: Alte Holzmichel - von alfsch - 02.10.2024, 06:45 PM
RE: Alte Holzmichel - von alfsch - 02.10.2024, 06:57 PM
RE: Alte Holzmichel - von Gucki - 02.10.2024, 07:08 PM
RE: Alte Holzmichel - von Gucki - 02.10.2024, 07:28 PM
RE: Alte Holzmichel - von alfsch - 02.10.2024, 07:36 PM
RE: Alte Holzmichel - von Gucki - 03.10.2024, 02:20 AM
RE: Alte Holzmichel - von Gucki - 03.10.2024, 09:04 AM
RE: Alte Holzmichel - von Gucki - 03.10.2024, 09:58 AM
RE: Alte Holzmichel - von alfsch - 03.10.2024, 10:18 AM
RE: Alte Holzmichel - von Gucki - 03.10.2024, 10:45 AM
RE: Alte Holzmichel - von alfsch - 03.10.2024, 10:58 AM
RE: Alte Holzmichel - von Gucki - 03.10.2024, 11:25 AM
RE: Alte Holzmichel - von alfsch - 03.10.2024, 11:35 AM
RE: Alte Holzmichel - von Gucki - 03.10.2024, 11:37 AM
RE: Alte Holzmichel - von alfsch - 03.10.2024, 11:44 AM
RE: Alte Holzmichel - von Gucki - 03.10.2024, 12:04 PM
RE: Alte Holzmichel - von alfsch - 03.10.2024, 12:09 PM
RE: Alte Holzmichel - von Gucki - 03.10.2024, 12:46 PM
RE: Alte Holzmichel - von alfsch - 03.10.2024, 12:57 PM
RE: Alte Holzmichel - von Gucki - 03.10.2024, 01:43 PM
RE: Alte Holzmichel - von alfsch - 03.10.2024, 02:10 PM
RE: Alte Holzmichel - von Gucki - 03.10.2024, 03:09 PM
RE: Alte Holzmichel - von alfsch - 03.10.2024, 03:29 PM
RE: Alte Holzmichel - von Gucki - 03.10.2024, 04:01 PM
RE: Alte Holzmichel - von Gucki - 03.10.2024, 04:26 PM
RE: Alte Holzmichel - von kahlo - 03.10.2024, 04:27 PM
RE: Alte Holzmichel - von alfsch - 03.10.2024, 04:35 PM
RE: Alte Holzmichel - von Gucki - 03.10.2024, 05:02 PM
RE: Alte Holzmichel - von Gucki - 03.10.2024, 04:36 PM
RE: Alte Holzmichel - von alfsch - 03.10.2024, 05:08 PM
RE: Alte Holzmichel - von Gucki - 03.10.2024, 05:28 PM
RE: Alte Holzmichel - von alfsch - 03.10.2024, 05:28 PM
RE: Alte Holzmichel - von Gucki - 03.10.2024, 05:40 PM
RE: Alte Holzmichel - von alfsch - 03.10.2024, 05:49 PM
RE: Alte Holzmichel - von Gucki - 03.10.2024, 06:36 PM
RE: Alte Holzmichel - von alfsch - 03.10.2024, 06:12 PM
RE: Alte Holzmichel - von Gucki - 03.10.2024, 06:49 PM
RE: Alte Holzmichel - von alfsch - 03.10.2024, 06:57 PM
RE: Alte Holzmichel - von Gucki - 03.10.2024, 07:17 PM
RE: Alte Holzmichel - von alfsch - 03.10.2024, 07:40 PM
RE: Alte Holzmichel - von Gucki - 04.10.2024, 03:50 AM
RE: Alte Holzmichel - von Gucki - 04.10.2024, 06:12 AM
RE: Alte Holzmichel - von alfsch - 04.10.2024, 08:44 AM
RE: Alte Holzmichel - von Gucki - 04.10.2024, 09:17 AM
RE: Alte Holzmichel - von alfsch - 04.10.2024, 09:56 AM
RE: Alte Holzmichel - von alfsch - 04.10.2024, 10:35 AM
RE: Alte Holzmichel - von Gucki - 04.10.2024, 12:40 PM
RE: Alte Holzmichel - von Gucki - 04.10.2024, 11:49 AM
RE: Alte Holzmichel - von alfsch - 04.10.2024, 12:35 PM
RE: Alte Holzmichel - von Gucki - 04.10.2024, 03:30 PM
RE: Alte Holzmichel - von Gucki - 04.10.2024, 04:47 PM
RE: Alte Holzmichel - von Gucki - 04.10.2024, 05:08 PM
RE: Alte Holzmichel - von Gucki - 04.10.2024, 05:32 PM
RE: Alte Holzmichel - von alfsch - 04.10.2024, 05:43 PM
RE: Alte Holzmichel - von Gucki - 04.10.2024, 06:08 PM
RE: Alte Holzmichel - von alfsch - 04.10.2024, 06:20 PM
RE: Alte Holzmichel - von Gucki - 04.10.2024, 06:28 PM
RE: Alte Holzmichel - von Gucki - 04.10.2024, 06:52 PM
RE: Alte Holzmichel - von alfsch - 04.10.2024, 06:59 PM
RE: Alte Holzmichel - von Gucki - 04.10.2024, 07:08 PM
RE: Alte Holzmichel - von alfsch - 04.10.2024, 07:26 PM
RE: Alte Holzmichel - von Gucki - 05.10.2024, 03:12 AM
RE: Alte Holzmichel - von Gucki - 05.10.2024, 08:03 AM
RE: Alte Holzmichel - von alfsch - 05.10.2024, 09:45 AM
RE: Alte Holzmichel - von Gucki - 05.10.2024, 10:13 AM
RE: Alte Holzmichel - von alfsch - 05.10.2024, 10:42 AM
RE: Alte Holzmichel - von alfsch - 05.10.2024, 11:48 AM
RE: Alte Holzmichel - von Gucki - 05.10.2024, 12:06 PM
RE: Alte Holzmichel - von Gucki - 05.10.2024, 12:21 PM
RE: Alte Holzmichel - von Gucki - 05.10.2024, 12:50 PM
RE: Alte Holzmichel - von alfsch - 05.10.2024, 12:59 PM
RE: Alte Holzmichel - von Gucki - 05.10.2024, 01:09 PM
RE: Alte Holzmichel - von alfsch - 05.10.2024, 01:42 PM
RE: Alte Holzmichel - von Gucki - 05.10.2024, 01:45 PM
RE: Alte Holzmichel - von alfsch - 05.10.2024, 02:11 PM
RE: Alte Holzmichel - von Gucki - 05.10.2024, 02:48 PM
RE: Alte Holzmichel - von alfsch - 05.10.2024, 03:00 PM
RE: Alte Holzmichel - von Gucki - 05.10.2024, 03:28 PM
RE: Alte Holzmichel - von Gucki - 05.10.2024, 03:43 PM
RE: Alte Holzmichel - von alfsch - 05.10.2024, 04:05 PM
RE: Alte Holzmichel - von Gucki - 05.10.2024, 04:27 PM
RE: Alte Holzmichel - von Gucki - 05.10.2024, 04:11 PM
RE: Alte Holzmichel - von alfsch - 05.10.2024, 04:23 PM
RE: Alte Holzmichel - von alfsch - 05.10.2024, 04:42 PM
RE: Alte Holzmichel - von Gucki - 05.10.2024, 05:20 PM
RE: Alte Holzmichel - von alfsch - 05.10.2024, 05:30 PM
RE: Alte Holzmichel - von Gucki - 05.10.2024, 05:36 PM
RE: Alte Holzmichel - von alfsch - 05.10.2024, 05:55 PM
RE: Alte Holzmichel - von Gucki - 05.10.2024, 06:22 PM
RE: Alte Holzmichel - von alfsch - 05.10.2024, 06:31 PM
RE: Alte Holzmichel - von Gucki - 05.10.2024, 06:43 PM
RE: Alte Holzmichel - von alfsch - 05.10.2024, 06:57 PM
RE: Alte Holzmichel - von Gucki - 05.10.2024, 07:07 PM
RE: Alte Holzmichel - von alfsch - 05.10.2024, 07:27 PM
RE: Alte Holzmichel - von Gucki - 05.10.2024, 07:34 PM
RE: Alte Holzmichel - von alfsch - 05.10.2024, 07:41 PM
RE: Alte Holzmichel - von Gucki - 06.10.2024, 05:07 AM
RE: Alte Holzmichel - von Gucki - 06.10.2024, 07:44 AM
RE: Alte Holzmichel - von alfsch - 06.10.2024, 09:03 AM
RE: Alte Holzmichel - von Gucki - 06.10.2024, 09:22 AM
RE: Alte Holzmichel - von alfsch - 06.10.2024, 09:49 AM
RE: Alte Holzmichel - von Gucki - 06.10.2024, 10:28 AM
RE: Alte Holzmichel - von alfsch - 06.10.2024, 11:06 AM
RE: Alte Holzmichel - von Gucki - 06.10.2024, 11:17 AM
RE: Alte Holzmichel - von alfsch - 06.10.2024, 11:21 AM
RE: Alte Holzmichel - von Gucki - 06.10.2024, 11:43 AM
RE: Alte Holzmichel - von alfsch - 06.10.2024, 12:14 PM
RE: Alte Holzmichel - von Gucki - 06.10.2024, 01:16 PM
RE: Alte Holzmichel - von alfsch - 06.10.2024, 01:31 PM
RE: Alte Holzmichel - von Gucki - 06.10.2024, 01:39 PM
RE: Alte Holzmichel - von Gucki - 06.10.2024, 04:04 PM
RE: Alte Holzmichel - von alfsch - 06.10.2024, 04:59 PM
RE: Alte Holzmichel - von Gucki - 06.10.2024, 05:24 PM
RE: Alte Holzmichel - von alfsch - 06.10.2024, 06:11 PM
RE: Alte Holzmichel - von Gucki - 06.10.2024, 06:46 PM
RE: Alte Holzmichel - von alfsch - 06.10.2024, 07:13 PM
RE: Alte Holzmichel - von Gucki - 07.10.2024, 02:26 AM
RE: Alte Holzmichel - von Gucki - 07.10.2024, 05:14 AM
RE: Alte Holzmichel - von alfsch - 07.10.2024, 06:19 AM
RE: Alte Holzmichel - von Gucki - 07.10.2024, 07:13 AM
RE: Alte Holzmichel - von Gucki - 07.10.2024, 06:52 AM
RE: Alte Holzmichel - von alfsch - 07.10.2024, 08:36 AM
RE: Alte Holzmichel - von Gucki - 07.10.2024, 09:23 AM
RE: Alte Holzmichel - von Gucki - 07.10.2024, 09:42 AM
RE: Alte Holzmichel - von Gucki - 07.10.2024, 10:17 AM
RE: Alte Holzmichel - von alfsch - 07.10.2024, 10:17 AM
RE: Alte Holzmichel - von Gucki - 07.10.2024, 10:43 AM
RE: Alte Holzmichel - von alfsch - 07.10.2024, 10:57 AM
RE: Alte Holzmichel - von Gucki - 07.10.2024, 11:45 AM
RE: Alte Holzmichel - von alfsch - 07.10.2024, 11:52 AM
RE: Alte Holzmichel - von Gucki - 07.10.2024, 12:04 PM
RE: Alte Holzmichel - von alfsch - 07.10.2024, 12:37 PM
RE: Alte Holzmichel - von Gucki - 07.10.2024, 01:49 PM
RE: Alte Holzmichel - von alfsch - 07.10.2024, 02:20 PM
RE: Alte Holzmichel - von Gucki - 07.10.2024, 02:30 PM
RE: Alte Holzmichel - von alfsch - 07.10.2024, 02:44 PM
RE: Alte Holzmichel - von Gucki - 07.10.2024, 03:09 PM
RE: Alte Holzmichel - von alfsch - 07.10.2024, 03:28 PM
RE: Alte Holzmichel - von Gucki - 07.10.2024, 03:22 PM
RE: Alte Holzmichel - von Gucki - 07.10.2024, 04:52 PM
RE: Alte Holzmichel - von alfsch - 07.10.2024, 05:39 PM
RE: Alte Holzmichel - von alfsch - 07.10.2024, 06:10 PM
RE: Alte Holzmichel - von Gucki - 07.10.2024, 06:24 PM
RE: Alte Holzmichel - von alfsch - 07.10.2024, 06:30 PM
RE: Alte Holzmichel - von Gucki - 07.10.2024, 06:41 PM
RE: Alte Holzmichel - von alfsch - 07.10.2024, 06:57 PM
RE: Alte Holzmichel - von Gucki - 08.10.2024, 02:31 AM
RE: Alte Holzmichel - von Gucki - 08.10.2024, 03:52 AM
RE: Alte Holzmichel - von alfsch - 08.10.2024, 10:15 AM
RE: Alte Holzmichel - von Gucki - 08.10.2024, 10:30 AM
RE: Alte Holzmichel - von alfsch - 08.10.2024, 10:38 AM
RE: Alte Holzmichel - von Gucki - 08.10.2024, 10:40 AM
RE: Alte Holzmichel - von alfsch - 08.10.2024, 11:16 AM
RE: Alte Holzmichel - von Gucki - 08.10.2024, 11:30 AM
RE: Alte Holzmichel - von Gucki - 08.10.2024, 11:57 AM
RE: Alte Holzmichel - von alfsch - 08.10.2024, 12:17 PM
RE: Alte Holzmichel - von Gucki - 08.10.2024, 01:16 PM
RE: Alte Holzmichel - von Gucki - 08.10.2024, 02:29 PM
RE: Alte Holzmichel - von Gucki - 08.10.2024, 01:33 PM
RE: Alte Holzmichel - von Gucki - 08.10.2024, 02:19 PM
RE: Alte Holzmichel - von alfsch - 08.10.2024, 02:56 PM
RE: Alte Holzmichel - von Gucki - 08.10.2024, 03:23 PM
RE: Alte Holzmichel - von Gucki - 08.10.2024, 03:34 PM
RE: Alte Holzmichel - von alfsch - 08.10.2024, 03:50 PM
RE: Alte Holzmichel - von Gucki - 08.10.2024, 04:26 PM
RE: Alte Holzmichel - von Gucki - 08.10.2024, 06:03 PM
RE: Alte Holzmichel - von alfsch - 08.10.2024, 06:23 PM
RE: Alte Holzmichel - von Gucki - 08.10.2024, 06:37 PM
RE: Alte Holzmichel - von Gucki - 08.10.2024, 06:54 PM
RE: Alte Holzmichel - von alfsch - 08.10.2024, 07:47 PM
RE: Alte Holzmichel - von Gucki - 09.10.2024, 02:50 AM
RE: Alte Holzmichel - von Gucki - 09.10.2024, 05:38 AM
RE: Alte Holzmichel - von Gucki - 09.10.2024, 07:42 AM
RE: Alte Holzmichel - von Gucki - 09.10.2024, 09:35 AM
RE: Alte Holzmichel - von Gucki - 09.10.2024, 02:11 PM
RE: Alte Holzmichel - von alfsch - 09.10.2024, 03:51 PM
RE: Alte Holzmichel - von Gucki - 09.10.2024, 04:05 PM
RE: Alte Holzmichel - von christianw. - 09.10.2024, 04:04 PM
RE: Alte Holzmichel - von Gucki - 09.10.2024, 04:21 PM
RE: Alte Holzmichel - von kahlo - 09.10.2024, 04:54 PM
RE: Alte Holzmichel - von Gucki - 09.10.2024, 04:55 PM
RE: Alte Holzmichel - von Gucki - 09.10.2024, 06:51 PM
RE: Alte Holzmichel - von alfsch - 09.10.2024, 07:34 PM
RE: Alte Holzmichel - von Strömling - 09.10.2024, 11:28 PM
RE: Alte Holzmichel - von Gucki - 10.10.2024, 03:02 AM
RE: Alte Holzmichel - von alfsch - 10.10.2024, 10:38 AM
RE: Alte Holzmichel - von Gucki - 10.10.2024, 11:23 AM
RE: Alte Holzmichel - von alfsch - 10.10.2024, 12:54 PM
RE: Alte Holzmichel - von Gucki - 10.10.2024, 03:28 PM
RE: Alte Holzmichel - von mash.m - 10.10.2024, 11:20 AM
RE: Alte Holzmichel - von Gucki - 10.10.2024, 06:03 PM
RE: Alte Holzmichel - von alfsch - 10.10.2024, 06:27 PM
RE: Alte Holzmichel - von Gucki - 10.10.2024, 07:01 PM
RE: Alte Holzmichel - von alfsch - 10.10.2024, 09:01 PM
RE: Alte Holzmichel - von Gucki - 11.10.2024, 04:04 AM
RE: Alte Holzmichel - von Gucki - 11.10.2024, 06:07 AM
RE: Alte Holzmichel - von alfsch - 11.10.2024, 07:58 AM
RE: Alte Holzmichel - von Gucki - 11.10.2024, 08:48 AM
RE: Alte Holzmichel - von Gucki - 11.10.2024, 04:33 PM
RE: Alte Holzmichel - von alfsch - 11.10.2024, 04:54 PM
RE: Alte Holzmichel - von Gucki - 11.10.2024, 05:08 PM
RE: Alte Holzmichel - von alfsch - 11.10.2024, 05:10 PM
RE: Alte Holzmichel - von Gucki - 11.10.2024, 05:53 PM
RE: Alte Holzmichel - von Gucki - 11.10.2024, 05:29 PM
RE: Alte Holzmichel - von alfsch - 11.10.2024, 06:31 PM
RE: Alte Holzmichel - von Gucki - 11.10.2024, 06:37 PM
RE: Alte Holzmichel - von Gucki - 11.10.2024, 07:05 PM
RE: Alte Holzmichel - von alfsch - 11.10.2024, 08:03 PM
RE: Alte Holzmichel - von Gucki - 12.10.2024, 02:22 AM
RE: Alte Holzmichel - von Gucki - 12.10.2024, 04:05 AM
RE: Alte Holzmichel - von alfsch - 12.10.2024, 08:00 AM
RE: Alte Holzmichel - von Gucki - 12.10.2024, 09:51 AM
RE: Alte Holzmichel - von alfsch - 12.10.2024, 12:31 PM
RE: Alte Holzmichel - von Gucki - 12.10.2024, 12:48 PM
RE: Alte Holzmichel - von alfsch - 12.10.2024, 12:58 PM
RE: Alte Holzmichel - von alfsch - 12.10.2024, 03:00 PM
RE: Alte Holzmichel - von Gucki - 12.10.2024, 03:46 PM
RE: Alte Holzmichel - von Gucki - 12.10.2024, 01:03 PM
RE: Alte Holzmichel - von Gucki - 12.10.2024, 01:34 PM
RE: Alte Holzmichel - von alfsch - 12.10.2024, 01:46 PM
RE: Alte Holzmichel - von Gucki - 12.10.2024, 02:31 PM
RE: Alte Holzmichel - von Gucki - 12.10.2024, 02:44 PM
RE: Alte Holzmichel - von alfsch - 12.10.2024, 04:01 PM
RE: Alte Holzmichel - von Gucki - 12.10.2024, 04:16 PM
RE: Alte Holzmichel - von alfsch - 12.10.2024, 04:34 PM
RE: Alte Holzmichel - von Gucki - 12.10.2024, 04:43 PM
RE: Alte Holzmichel - von Gucki - 12.10.2024, 04:54 PM
RE: Alte Holzmichel - von alfsch - 12.10.2024, 05:05 PM
RE: Alte Holzmichel - von Gucki - 12.10.2024, 05:35 PM
RE: Alte Holzmichel - von alfsch - 12.10.2024, 05:38 PM
RE: Alte Holzmichel - von Gucki - 13.10.2024, 02:45 AM
RE: Alte Holzmichel - von Gucki - 13.10.2024, 04:41 AM
RE: Alte Holzmichel - von alfsch - 13.10.2024, 07:15 AM
RE: Alte Holzmichel - von Gucki - 13.10.2024, 07:26 AM
RE: Alte Holzmichel - von Gucki - 13.10.2024, 07:42 AM
RE: Alte Holzmichel - von Gucki - 13.10.2024, 08:08 AM
RE: Alte Holzmichel - von alfsch - 13.10.2024, 08:32 AM
RE: Alte Holzmichel - von Gucki - 13.10.2024, 09:09 AM
RE: Alte Holzmichel - von alfsch - 13.10.2024, 09:32 AM
RE: Alte Holzmichel - von Gucki - 29.10.2024, 04:18 AM
RE: Alte Holzmichel - von alfsch - 29.10.2024, 07:01 PM
RE: Alte Holzmichel - von Gucki - 29.10.2024, 08:38 PM
RE: Alte Holzmichel - von Gucki - 29.10.2024, 07:15 PM
RE: Alte Holzmichel - von alfsch - 29.10.2024, 07:18 PM
RE: Alte Holzmichel - von Gucki - 29.10.2024, 07:23 PM
RE: Alte Holzmichel - von alfsch - 29.10.2024, 08:42 PM
RE: Alte Holzmichel - von Gucki - 30.10.2024, 03:12 AM
RE: Alte Holzmichel - von Gucki - 30.10.2024, 06:07 AM
RE: Alte Holzmichel - von Gucki - 30.10.2024, 06:40 AM
RE: Alte Holzmichel - von Gucki - 30.10.2024, 07:03 AM
RE: Alte Holzmichel - von Gucki - 30.10.2024, 09:14 AM
RE: Alte Holzmichel - von alfsch - 30.10.2024, 10:49 AM
RE: Alte Holzmichel - von Gucki - 30.10.2024, 11:29 AM
RE: Alte Holzmichel - von alfsch - 30.10.2024, 11:59 AM
RE: Alte Holzmichel - von Gucki - 30.10.2024, 12:39 PM
RE: Alte Holzmichel - von Gucki - 30.10.2024, 12:56 PM
RE: Alte Holzmichel - von Gucki - 30.10.2024, 04:16 PM
RE: Alte Holzmichel - von Gucki - 30.10.2024, 04:38 PM
RE: Alte Holzmichel - von alfsch - 30.10.2024, 04:44 PM
RE: Alte Holzmichel - von Gucki - 30.10.2024, 04:50 PM
RE: Alte Holzmichel - von Gucki - 30.10.2024, 05:26 PM
RE: Alte Holzmichel - von alfsch - 30.10.2024, 05:29 PM
RE: Alte Holzmichel - von Gucki - 30.10.2024, 06:01 PM
RE: Alte Holzmichel - von kahlo - 30.10.2024, 08:19 PM
RE: Alte Holzmichel - von Gucki - 31.10.2024, 03:03 AM
RE: Alte Holzmichel - von Gucki - 31.10.2024, 12:42 PM
RE: Alte Holzmichel - von Gucki - 01.11.2024, 03:08 AM
RE: Alte Holzmichel - von Gucki - 01.11.2024, 08:57 AM
RE: Alte Holzmichel - von Gucki - 02.11.2024, 04:39 AM
RE: Alte Holzmichel - von Gucki - 02.11.2024, 11:26 AM
RE: Alte Holzmichel - von Gucki - 03.11.2024, 05:25 AM
RE: Alte Holzmichel - von Gucki - 06.11.2024, 04:07 AM
RE: Alte Holzmichel - von Gucki - 06.11.2024, 04:56 AM
RE: Alte Holzmichel - von Gucki - 06.11.2024, 11:10 AM
RE: Alte Holzmichel - von Gucki - 06.11.2024, 03:05 PM
RE: Alte Holzmichel - von alfsch - 06.11.2024, 03:32 PM
RE: Alte Holzmichel - von Gucki - 06.11.2024, 03:41 PM
RE: Alte Holzmichel - von alfsch - 06.11.2024, 04:46 PM
RE: Alte Holzmichel - von Gucki - 06.11.2024, 04:51 PM
RE: Alte Holzmichel - von Gucki - 07.11.2024, 11:01 AM
RE: Alte Holzmichel - von alfsch - 07.11.2024, 12:25 PM
RE: Alte Holzmichel - von Gucki - 07.11.2024, 01:55 PM
RE: Alte Holzmichel - von Gucki - 09.11.2024, 02:59 AM
RE: Alte Holzmichel - von christianw. - 26.11.2024, 11:40 AM
RE: Alte Holzmichel - von Gucki - 26.11.2024, 11:43 AM
RE: Alte Holzmichel - von christianw. - 27.11.2024, 11:14 AM
RE: Alte Holzmichel - von Gucki - 27.11.2024, 12:00 PM
RE: Alte Holzmichel - von alfsch - 11.11.2024, 10:02 AM
RE: Alte Holzmichel - von Gucki - 11.11.2024, 11:26 AM
RE: Alte Holzmichel - von alfsch - 11.11.2024, 11:55 AM
RE: Alte Holzmichel - von Gucki - 14.11.2024, 04:50 PM
RE: Alte Holzmichel - von Gucki - 11.11.2024, 01:21 PM
RE: Alte Holzmichel - von Gucki - 14.11.2024, 04:12 PM
RE: Alte Holzmichel - von Gucki - 16.11.2024, 03:36 PM
RE: Alte Holzmichel - von Gucki - 18.11.2024, 06:16 AM
RE: Alte Holzmichel - von alfsch - 18.11.2024, 10:54 AM
RE: Alte Holzmichel - von Gucki - 18.11.2024, 01:18 PM
RE: Alte Holzmichel - von Gucki - 19.11.2024, 07:10 PM
RE: Alte Holzmichel - von Gucki - 18.11.2024, 06:55 AM
RE: Alte Holzmichel - von alfsch - 18.11.2024, 09:02 AM
RE: Alte Holzmichel - von alfsch - 19.11.2024, 08:46 PM
RE: Alte Holzmichel - von Gucki - 20.11.2024, 03:19 AM
RE: Alte Holzmichel - von Gucki - 21.11.2024, 03:27 AM
RE: Alte Holzmichel - von Gucki - 22.11.2024, 07:24 AM
RE: Alte Holzmichel - von alfsch - 22.11.2024, 11:10 PM
RE: Alte Holzmichel - von Gucki - 23.11.2024, 03:34 AM
RE: Alte Holzmichel - von Gucki - 24.11.2024, 06:01 AM
RE: Alte Holzmichel - von Gucki - 24.11.2024, 06:48 AM
RE: Alte Holzmichel - von Gucki - 24.11.2024, 02:53 PM
RE: Alte Holzmichel - von Gucki - 25.11.2024, 04:30 AM
RE: Alte Holzmichel - von Gucki - 25.11.2024, 05:35 AM
RE: Alte Holzmichel - von alfsch - 25.11.2024, 09:14 AM
RE: Alte Holzmichel - von Gucki - 25.11.2024, 09:27 AM
RE: Alte Holzmichel - von Gucki - 25.11.2024, 09:37 AM
RE: Alte Holzmichel - von alfsch - 25.11.2024, 10:17 AM
RE: Alte Holzmichel - von Gucki - 25.11.2024, 10:46 AM
RE: Alte Holzmichel - von Gucki - 25.11.2024, 11:30 AM
RE: Alte Holzmichel - von Gucki - 25.11.2024, 01:50 PM
RE: Alte Holzmichel - von Gucki - 27.11.2024, 05:35 AM
RE: Alte Holzmichel - von christianw. - 27.11.2024, 11:59 PM
RE: Alte Holzmichel - von Gucki - 28.11.2024, 03:28 AM
RE: Alte Holzmichel - von Gucki - 28.11.2024, 06:33 AM
RE: Alte Holzmichel - von Gucki - 28.11.2024, 10:56 AM
RE: Alte Holzmichel - von Gucki - 28.11.2024, 11:58 AM
RE: Alte Holzmichel - von Gucki - 28.11.2024, 02:52 PM
RE: Alte Holzmichel - von Gucki - 28.11.2024, 03:04 PM
RE: Alte Holzmichel - von alfsch - 28.11.2024, 03:25 PM
RE: Alte Holzmichel - von Gucki - 28.11.2024, 04:48 PM
RE: Alte Holzmichel - von Gucki - 28.11.2024, 06:12 PM
RE: Alte Holzmichel - von Gucki - 03.12.2024, 09:23 AM
RE: Alte Holzmichel - von Gucki - 13.12.2024, 08:01 AM
RE: Alte Holzmichel - von Gucki - 15.12.2024, 10:22 AM
RE: Alte Holzmichel - von Gucki - 21.12.2024, 08:30 AM
RE: Alte Holzmichel - von alfsch - 21.12.2024, 06:39 PM
RE: Alte Holzmichel - von Gucki - 21.12.2024, 07:57 PM
RE: Alte Holzmichel - von Gucki - 22.12.2024, 12:20 PM
RE: Alte Holzmichel - von Gucki - 22.12.2024, 02:09 PM
RE: Alte Holzmichel - von Gucki - 23.12.2024, 06:09 AM
RE: Alte Holzmichel - von Gucki - 25.12.2024, 07:00 PM
RE: Alte Holzmichel - von Gucki - 28.12.2024, 07:38 AM
RE: Alte Holzmichel - von Gucki - 10.01.2025, 06:15 AM
RE: Alte Holzmichel - von kahlo - 10.01.2025, 10:00 AM
RE: Alte Holzmichel - von Gucki - 10.01.2025, 10:29 AM
RE: Alte Holzmichel - von kahlo - 10.01.2025, 11:18 PM
RE: Alte Holzmichel - von Gucki - 12.01.2025, 06:59 AM
RE: Alte Holzmichel - von kahlo - 12.01.2025, 03:16 PM
RE: Alte Holzmichel - von Gucki - 12.01.2025, 04:59 PM
RE: Alte Holzmichel - von Gucki - 13.01.2025, 05:48 AM
RE: Alte Holzmichel - von Gucki - 13.01.2025, 10:33 AM
RE: Alte Holzmichel - von kahlo - 13.01.2025, 04:05 PM
RE: Alte Holzmichel - von Gucki - 13.01.2025, 04:40 PM
RE: Alte Holzmichel - von Gucki - 13.01.2025, 05:27 PM
RE: Alte Holzmichel - von Gucki - 13.01.2025, 06:59 PM
RE: Alte Holzmichel - von Gucki - 15.01.2025, 07:11 AM
RE: Alte Holzmichel - von naz - 15.01.2025, 12:44 PM
RE: Alte Holzmichel - von Gucki - 15.01.2025, 01:24 PM
RE: Alte Holzmichel - von kahlo - 15.01.2025, 03:13 PM
RE: Alte Holzmichel - von alfsch - 15.01.2025, 03:23 PM
RE: Abstoßende Coulombkraft - von Gucki - 15.01.2025, 03:48 PM
RE: Abstoßende Coulombkraft - von alfsch - 15.01.2025, 04:00 PM
RE: Abstoßende Coulombkraft - von kahlo - 15.01.2025, 05:56 PM
RE: Abstoßende Coulombkraft - von Gucki - 15.01.2025, 04:09 PM
RE: Abstoßende Coulombkraft - von Gucki - 15.01.2025, 07:15 PM
RE: Abstoßende Coulombkraft - von alfsch - 15.01.2025, 07:52 PM
RE: Abstoßende Coulombkraft - von Gucki - 15.01.2025, 08:06 PM
RE: Abstoßende Coulombkraft - von alfsch - 15.01.2025, 08:45 PM
RE: Abstoßende Coulombkraft - von Miroslaw - 15.01.2025, 11:03 PM
RE: Abstoßende Coulombkraft - von Gucki - 16.01.2025, 04:23 AM
RE: Abstoßende Coulombkraft - von Gucki - 16.01.2025, 05:29 AM
RE: Abstoßende Coulombkraft - von Miroslaw - 16.01.2025, 11:09 AM
RE: Experimente: Coulombkraft - von Gucki - 16.01.2025, 10:45 AM
RE: Experimente: Coulombkraft - von Gucki - 16.01.2025, 11:32 AM
RE: Experimente: Coulombkraft - von Miroslaw - 16.01.2025, 10:58 PM
RE: Experimente: Coulombkraft - von Gucki - 17.01.2025, 03:51 AM
RE: Experimente: Coulombkraft - von Gucki - 17.01.2025, 10:45 AM
RE: Experimente: Coulombkraft - von Miroslaw - 17.01.2025, 08:23 PM
RE: Experimente: Coulombkraft - von Gucki - 17.01.2025, 01:58 PM
RE: Experimente: Coulombkraft - von Gucki - 17.01.2025, 02:29 PM
RE: Experimente: Coulombkraft - von Gucki - 18.01.2025, 03:16 AM
RE: Experimente: Coulombkraft - von christianw. - 22.01.2025, 03:11 PM
RE: Experimente: Coulombkraft - von Gucki - 22.01.2025, 03:30 PM
RE: Experimente: Coulombkraft - von christianw. - 23.01.2025, 02:37 PM
RE: Experimente: Coulombkraft - von Gucki - 23.01.2025, 03:32 PM