die Eingangsspannung wird per Trafo erhöht, durch ein ganzes Rudel L+C transportiert und abschließend mit einem fetten Transduktor genau auf Wert gebracht.
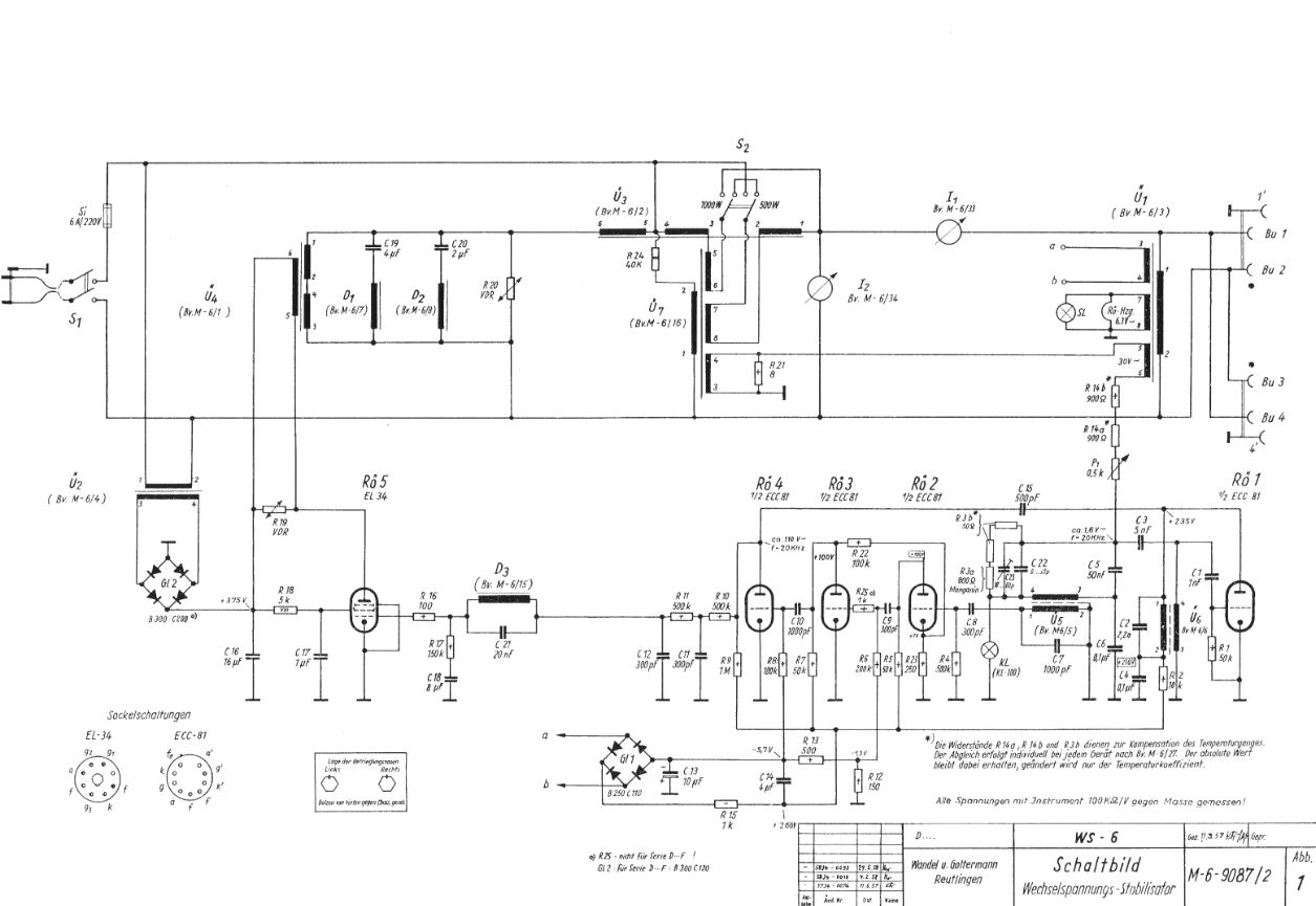
Zum besseren Verständnis Freunde der Röhrenverstärkertechnik: das ist ein 1kW 1xEL34SE Monoblock mit 2x ECC81 davor.
Also eine regelrechte Stromwaschmaschine
Die merkwürdige Birne nennt sich technischer Kaltleiter, sie bildet eine DC Konstantstromquelle, kombiniert mit der Temperaturkompensation für das Gerät. Also nicht einfach ersetzbar, ein korrektes Diagramm von dem Teilchen müßte schon in 3D dargestellt werden.
nach getaner Arbeit, einer frischen EL34 + frischer Beleuchtung.
lG Martin
Zum besseren Verständnis Freunde der Röhrenverstärkertechnik: das ist ein 1kW 1xEL34SE Monoblock mit 2x ECC81 davor.
Also eine regelrechte Stromwaschmaschine
Die merkwürdige Birne nennt sich technischer Kaltleiter, sie bildet eine DC Konstantstromquelle, kombiniert mit der Temperaturkompensation für das Gerät. Also nicht einfach ersetzbar, ein korrektes Diagramm von dem Teilchen müßte schon in 3D dargestellt werden.
nach getaner Arbeit, einer frischen EL34 + frischer Beleuchtung.
lG Martin
