18.03.2025, 01:51 PM
Experimente: Alfschs Lautsprecherkabel
|
18.03.2025, 01:56 PM
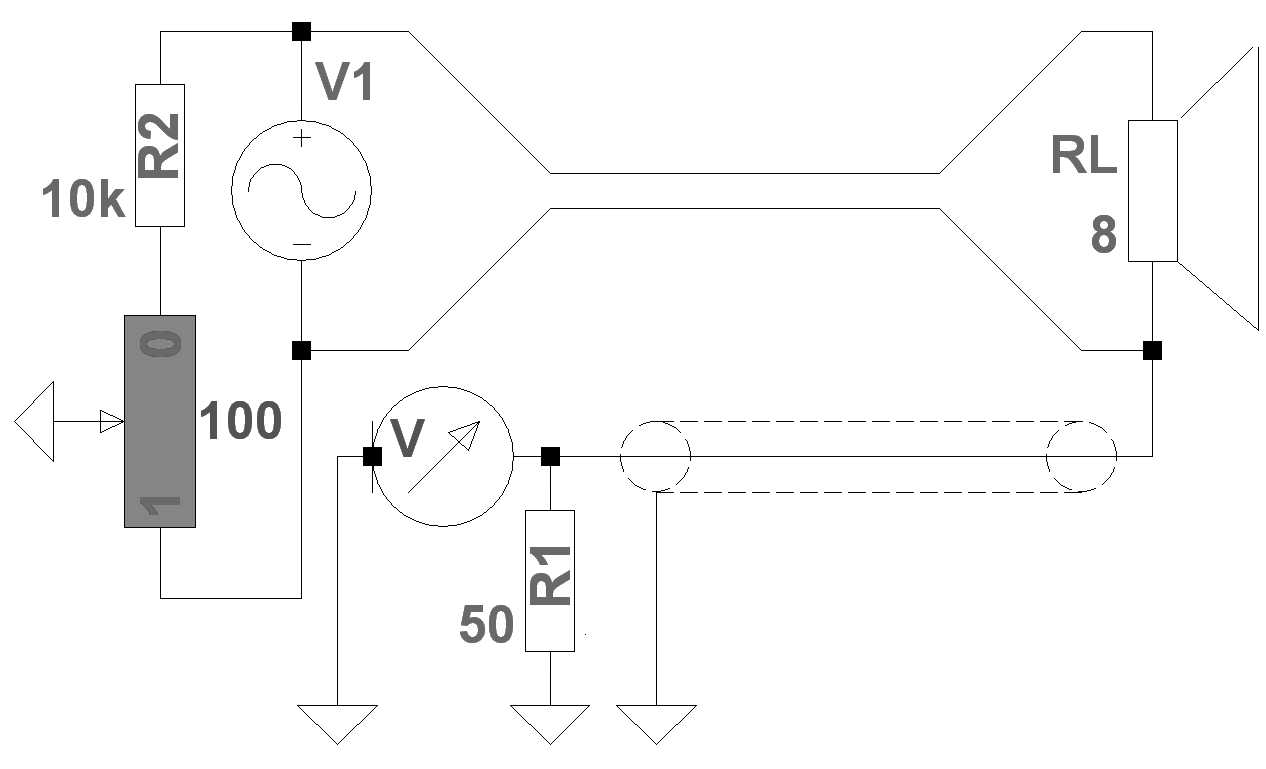
Wenn ich es richtig verstehe, misst es so IN-Spannung gegen OUT-Strom (Spannungsabfall am Kabel, genau genommen).
Don't worry about getting older. You're still gonna do dumb stuff...only slower.
18.03.2025, 02:50 PM
18.03.2025, 03:01 PM
(18.03.2025, 01:56 PM)alfsch schrieb: Wenn ich es richtig verstehe, misst es so IN-Spannung gegen OUT-Strom (Spannungsabfall am Kabel, genau genommen).
Ja. Dadurch klappt die Phasenerkennung. Die runtergeteilte IN-Spannung ist der Referenzwert. Wenn der genau dem Kabelspannungsabfall entspricht, haben wir Nullabgleich und keinen Blindwiderstand.
Jede Abweichung davon wird als Brückenspannung angezeigt. Also die klangbestimmenden Blindwiderstände.
18.03.2025, 04:01 PM
(Dieser Beitrag wurde zuletzt bearbeitet: 18.03.2025, 05:51 PM von Gucki.)
So. Jetzt habe ich Pegel ohne Ende. R2 und das Poti müssen 10-fach niederohmiger sein als ich es hatte.
Der Schaltplan ist aber korrekt. 10k und 100 Ohm.
Der Schaltplan ist aber korrekt. 10k und 100 Ohm.
18.03.2025, 05:45 PM
(Dieser Beitrag wurde zuletzt bearbeitet: 18.03.2025, 05:47 PM von Gucki.)
18.03.2025, 07:21 PM
(Dieser Beitrag wurde zuletzt bearbeitet: 18.03.2025, 07:27 PM von Gucki.)
Kann ich noch was testen, Alfsch? Sonst bau ich wieder ab.
---------
Ich hadere aber immer noch irgendwie mit dem Delay....
Hab ichs wirklich richtig gemacht? Zwei Kugeln rollen aus dem oberen Anschluss der Signalquelle. Dann nach rechts über das Kabel zum Speaker. Dann durch den Speaker.
Und dann beginnt das Wettrennen. Eine Kugel über das Kabel, dann über das Poti und dann an den Massenschluss des MV21. Und die andere Kugel rollt durch das Koaxkabel und kommt zeitgleich am Eingang des MV21 an. Ja. Sieht im Schaltbild irgendwie komisch aus. Aber scheint richtig gedacht zu sein.
---------
Ich hadere aber immer noch irgendwie mit dem Delay....

Und dann beginnt das Wettrennen. Eine Kugel über das Kabel, dann über das Poti und dann an den Massenschluss des MV21. Und die andere Kugel rollt durch das Koaxkabel und kommt zeitgleich am Eingang des MV21 an. Ja. Sieht im Schaltbild irgendwie komisch aus. Aber scheint richtig gedacht zu sein.
18.03.2025, 08:47 PM
No.
Danke ....soweit.
Muss erstmal nachdenken...und selbst etwas rum probieren.
Danke ....soweit.
Muss erstmal nachdenken...und selbst etwas rum probieren.
Don't worry about getting older. You're still gonna do dumb stuff...only slower.
18.03.2025, 11:29 PM
(16.03.2025, 11:16 AM)alfsch schrieb: ich erzeuge ein Testsignal, gemessen wird am Anfang und Ende der Leitung mit nem Controller, 16 Bit ADC differentielle Inputs, mit 1us Auflösung.
Zunächst muss ich dann die Signalerfassung mal korrekt hin bekommen, ist ja nicht ganz von Pappe.
Der ST mit dem 16Bit ADC? Wenn der der ist, den ich meine, wäre single ended besser. Differentiell stößt auch nur eine nach der anderen Messung an, mit dem entsprechend konfigurierten Zeitversatz dazwischen. Denke das ist nicht optimal für die Anwendung, das würde ich lieber analog lösen. Die Rauschperformance war auch nicht gut, ich mein 4LSB haben immer rumgewackelt, auch mit kurzgeschlossenem Eingang...ich kann mal schauen ob ich die Testergebnisse nochmal finde. Jetzt wo ich so drüber nachdenke, hatte ich aber auch nicht genau analysiert wie sauber die Referenz war.
19.03.2025, 12:52 AM
Hi Tobi...
ist ein STM32H743ZIT ;
guck mal - wenn was sinniges findest.
Aber "differentiell" ist nicht 2 ADC Zyklen nacheinander, sondern sollte eine Messung sein, nur eben wird nicht zwischen GND und IN+ gemessen,
sondern zwischen IN- und IN+ des ADC inputs.
Aber speziell darüber habe ich auch im ds nicht viel gefunden, ist eher kryptisch beschrieben; schon der genaue CMR ist eher diffus - muss man wohl erst selbst mal testen.
ist ein STM32H743ZIT ;
guck mal - wenn was sinniges findest.
Aber "differentiell" ist nicht 2 ADC Zyklen nacheinander, sondern sollte eine Messung sein, nur eben wird nicht zwischen GND und IN+ gemessen,
sondern zwischen IN- und IN+ des ADC inputs.
Aber speziell darüber habe ich auch im ds nicht viel gefunden, ist eher kryptisch beschrieben; schon der genaue CMR ist eher diffus - muss man wohl erst selbst mal testen.

Don't worry about getting older. You're still gonna do dumb stuff...only slower.
19.03.2025, 01:33 AM
Ok, der H7 wars sicher nicht. Dann ist vermutlich alles von damals hinfällig, ich hoffe der ADC ist neu gemacht. So wie er war, war er eher nicht besser als der 12Bit SAR.
19.03.2025, 03:57 AM
(Dieser Beitrag wurde zuletzt bearbeitet: 19.03.2025, 04:00 AM von Gucki.)
Ich halte die Messung mit Lastwiderstand statt Lautsprecher für wenig aussagekräftig. Genauso gut könnte man das Kabel auch mit LCR-Messgerät vermessen.
Erst mit Lautsprecher entfaltet sich die ganze ganze Pracht.
Mit Lautsprecher als Last sieht die Kurve wieder so aus, wie zuvor bei der einfachen Spannungsabfall-Messung. Also Berge und Täler. Man kann sich die aktuelle Erweiterung der Schaltung schenken. Die einfache Spannungsabfall-Messung hatte ja folgendes gezeigt:
Einen konstanten frequenzunabhängigen Offset. Dahinter versteckt sich der "R"-Anteil des Kabels. Den hab ich einfach von Excel rausrechnen lassen, so dass ich die Berge und Täler hervorheben konnte.
Eine induktive Komponente, die den Spannungsabfall bei zunehmender Frequenz steigen lässt. Und da gehts schon los. Wenn der Lautsprecher auch eine induktive Komponente hat, so kann diese der Kabelinduktivität entgegen wirken, so dass die Übertragung des Kabels frequenzunabhängiger wird. Das kann man mit einem Wirkwiderstand als Last natürlich nicht sehen.
Obendrein hatte ich bei den früheren Messungen sogar die Wirkung unterschiedlich starker Verdrillungen auf den Spannungsabfall des Kabels deutlich unterscheiden können. Ich konnte also zeigen, das die Verdrillung irgendwie mit dem Lautsprecherstrom interagiert. Bei einem Widerstand als Last geht diese Info verloren.
Weniger ist mehr.
Ich würde sogar von einem Koaxkabel mit 50 Ohm Termination abraten, weil es alles verfälscht. Bei 2 Meter Kabel geht es um ein paar Nanosekunden. Lieber Box und Amp dicht an dicht stellen, das Speakerkabel in einer Schleife verlegen und das MV21 mit kurzen Messleitungen mit dem Kabel verbinden.
Und Controller-ADC halte ich für sinnlos. Ich messe mit 1mV Vollausschlag, damit ich Berge und Täler sehen kann.
Vorschlag: miss doch einfach mal den frequenzabhängigen Spannungsabfall mit Lautsprecher als Last. Die paar Messpunkte gehen doch blitzschnell. Frequenz immer verdoppeln und stur Spannung am MV21 ablesen. Dann nach Excel, konstanten Offset subtrahieren und Wellen und Täler zeigen. Dann vielleicht noch ein zweites Kabel zum Vergleich. Und vielleicht auch noch beide Kabel mit Lastwiderstand. So dass man vier Kurven kriegt.
Dann hat man erstmal ein Fundament.
Erst mit Lautsprecher entfaltet sich die ganze ganze Pracht.
Mit Lautsprecher als Last sieht die Kurve wieder so aus, wie zuvor bei der einfachen Spannungsabfall-Messung. Also Berge und Täler. Man kann sich die aktuelle Erweiterung der Schaltung schenken. Die einfache Spannungsabfall-Messung hatte ja folgendes gezeigt:
Einen konstanten frequenzunabhängigen Offset. Dahinter versteckt sich der "R"-Anteil des Kabels. Den hab ich einfach von Excel rausrechnen lassen, so dass ich die Berge und Täler hervorheben konnte.
Eine induktive Komponente, die den Spannungsabfall bei zunehmender Frequenz steigen lässt. Und da gehts schon los. Wenn der Lautsprecher auch eine induktive Komponente hat, so kann diese der Kabelinduktivität entgegen wirken, so dass die Übertragung des Kabels frequenzunabhängiger wird. Das kann man mit einem Wirkwiderstand als Last natürlich nicht sehen.
Obendrein hatte ich bei den früheren Messungen sogar die Wirkung unterschiedlich starker Verdrillungen auf den Spannungsabfall des Kabels deutlich unterscheiden können. Ich konnte also zeigen, das die Verdrillung irgendwie mit dem Lautsprecherstrom interagiert. Bei einem Widerstand als Last geht diese Info verloren.
Weniger ist mehr.
Ich würde sogar von einem Koaxkabel mit 50 Ohm Termination abraten, weil es alles verfälscht. Bei 2 Meter Kabel geht es um ein paar Nanosekunden. Lieber Box und Amp dicht an dicht stellen, das Speakerkabel in einer Schleife verlegen und das MV21 mit kurzen Messleitungen mit dem Kabel verbinden.
Und Controller-ADC halte ich für sinnlos. Ich messe mit 1mV Vollausschlag, damit ich Berge und Täler sehen kann.
Vorschlag: miss doch einfach mal den frequenzabhängigen Spannungsabfall mit Lautsprecher als Last. Die paar Messpunkte gehen doch blitzschnell. Frequenz immer verdoppeln und stur Spannung am MV21 ablesen. Dann nach Excel, konstanten Offset subtrahieren und Wellen und Täler zeigen. Dann vielleicht noch ein zweites Kabel zum Vergleich. Und vielleicht auch noch beide Kabel mit Lastwiderstand. So dass man vier Kurven kriegt.
Dann hat man erstmal ein Fundament.
19.03.2025, 01:36 PM
(19.03.2025, 03:57 AM)Gucki schrieb: Ich halte die Messung mit Lastwiderstand statt Lautsprecher für wenig aussagekräftig. Genauso gut könnte man das Kabel auch mit LCR-Messgerät vermessen.
Erst mit Lautsprecher entfaltet sich die ganze ganze Pracht.
Eine induktive Komponente, die den Spannungsabfall bei zunehmender Frequenz steigen lässt. Und da gehts schon los. Wenn der Lautsprecher auch eine induktive Komponente hat, so kann diese der Kabelinduktivität entgegen wirken, so dass die Übertragung des Kabels frequenzunabhängiger wird. Das kann man mit einem Wirkwiderstand als Last natürlich nicht sehen.
Last sollte sinnigerweise reproduzierbar sein, dh "ein Lautsprecher" geht gar nicht. Üblich ist R + L , zb 7 Ohm + 200uH in Reihe als Testlast.
WENN der Effekt messbar ist, muss er damit auch (reproduzierbar) messbar sein. (dh ich messe dann das selbe wie du....Grund-voraussetzung eigentlich - oder ? )
Don't worry about getting older. You're still gonna do dumb stuff...only slower.
19.03.2025, 02:31 PM
(Dieser Beitrag wurde zuletzt bearbeitet: 19.03.2025, 02:34 PM von Gucki.)
Das Messverfahren kann Dir Messkurven zur Verfügung stellen, die Dir das Gruppieren und Optimieren von Kabeln erleichtern können. Diese das ganze System einschließenden Messkurven sind so lange reproduzierbar, wie sich nichts an den Messparametern, der Anlage und deren Aufstellung ändert.
Wir reagieren z.B. deutlich schon auf marginale Verdrillungsunterschiede und ich konnte sogar die Akustikreflexion meiner Hand vor dem Lautsprecher messen.
Welche Messkurven gut und welche schlecht klingen, hängt von vielen Faktoren ab, die nicht auf andere Anlagen, Räume und Menschen übertragbar sind.
Es geht um -60dB bis -80dB. Also ein Hauch von Nichts. Da können wir schon froh sein, wenn Du die gestern als wohlklingend empfundenen Messkurven morgen auch noch so empfindest.
Wir reagieren z.B. deutlich schon auf marginale Verdrillungsunterschiede und ich konnte sogar die Akustikreflexion meiner Hand vor dem Lautsprecher messen.
Welche Messkurven gut und welche schlecht klingen, hängt von vielen Faktoren ab, die nicht auf andere Anlagen, Räume und Menschen übertragbar sind.
Es geht um -60dB bis -80dB. Also ein Hauch von Nichts. Da können wir schon froh sein, wenn Du die gestern als wohlklingend empfundenen Messkurven morgen auch noch so empfindest.
19.03.2025, 04:38 PM
(19.03.2025, 02:31 PM)Gucki schrieb: Es geht um -60dB bis -80dB. Also ein Hauch von Nichts. Da können wir schon froh sein, wenn Du die gestern als wohlklingend empfundenen Messkurven morgen auch noch so empfindest.
mhmm... bzw wenn ich sie überhaupt noch höre.

Don't worry about getting older. You're still gonna do dumb stuff...only slower.
19.03.2025, 05:21 PM
Naja... die Trutsche von Cash mit ihrem lauthalsigen "love" hattest Du nicht gehört...

19.03.2025, 06:05 PM
Also müssen die Kabel deutlicher hörbar sein, die kann ich doch hören.

Don't worry about getting older. You're still gonna do dumb stuff...only slower.
19.03.2025, 07:21 PM
Ja. Ich kanns auch hören.
Ne 100 Meter Rolle massives Installationskabel aus einem Meter auf Holzfußboden klingt anders als dünnes Litzenkabel.
Ne 100 Meter Rolle massives Installationskabel aus einem Meter auf Holzfußboden klingt anders als dünnes Litzenkabel.
19.03.2025, 08:21 PM
...und wenn es den grossen Zeh trifft - kann man sogar noch eine jaulende Stimme erkennen...
Don't worry about getting older. You're still gonna do dumb stuff...only slower.
20.03.2025, 03:02 PM
(19.03.2025, 05:21 PM)Gucki schrieb: Naja... die Trutsche von Cash mit ihrem lauthalsigen "love" hattest Du nicht gehört...
Nicht jeder kann alles hören oder ist ein Holzohr , alleine ob man Ober oder Grundtonhörer Typ ist macht schon 50:50 Prozent aus .
Vor Jahren gabs mal ne Umfrage und relativ großer Teilnehmer Zahl. und Statistik.
Test hier
https://griggaudio.de/2023/11/20/bist-du...tonhoerer/
Wenn bei einen Kabel Test ,zu gleichen Anteilen beide Gattungen vertreten sind , gibs natürlich immer ein Remis .
Kabel Einfluss unhörbar

und die Statistik sieht dann gar nicht mal so schlecht aus.
Dirk