Registered
Beiträge: 1.395
Themen: 28
Registriert: Jul 2024
Hätte ja runtergefallen sein können.
Ok. Du willst den Delay ausgleichen. Das geht ganz simpel. Das MV21 ist potentialfrei.
Masse des MV21 auf Lautsprecher-Masse. MV21 steht also am Lautsprecher.
Signaleingang des MV21 auf BNC-T. An ein Ende des T-Adapt 50 Ohm. Und an das andere Ende des T-Adap eine Koax-Leitung geeigneter Länge.
An deren Ende wird der Innenleiter der Koax-Leitung mit der Amp-Ausgangs-Masse verbunden. Und der Schirm bleibt frei.
--------
Auch Phasenmessung ist mit MV21 problemlos möglich.
Administrator
Beiträge: 10.658
Themen: 172
Registriert: Jun 2005
(16.03.2025, 04:23 PM)Gucki schrieb: Hätte ja runtergefallen sein können.
Ok. Du willst den Delay ausgleichen. Das geht ganz simpel. Das MV21 ist potentialfrei.
Masse des MV21 auf Lautsprecher-Masse. MV21 steht also am Lautsprecher.
Signaleingang des MV21 auf BNC-T. An ein Ende des T-Adapt 50 Ohm. Und an das andere Ende des T-Adap eine Koax-Leitung geeigneter Länge.
An deren Ende wird der Innenleiter der Koax-Leitung mit der Amp-Ausgangs-Masse verbunden. Und der Schirm bleibt frei.
--------
Auch Phasenmessung ist mit MV21 problemlos möglich.
OK, aber Messung ist wieder nur der Pegel - das ist ohne Information zur Phase.
Wie kann ich dann die Phase damit messen?
Don't worry about getting older. You're still gonna do dumb stuff...only slower.
Registered
Beiträge: 1.395
Themen: 28
Registriert: Jul 2024
Dazu ersetzt Du das Koaxkabel einfach durch einen Allpass. Dann "Delay" ist ja nichts anderes als Phase.
Oder Du machst Dir ein paar Koaxkabel mit Steckern im 8:4:2:1-Verhältnis. Dann kannst Du Dir den gewünschten Delay/Phase zusammenstecken.
Administrator
Beiträge: 10.658
Themen: 172
Registriert: Jun 2005
Mir scheint, wir reden ..schreiben...aneinander vorbei - ich versuche es vorab mal zu erklären, evtl hast ja ne bessere Idee, das zu messen, als mit den hi-speed ADCs :
also Signal ins Kabel, gibt irgendwelche Änderung am Ausgang: Pegel geringer mal, auch anders zu hohen Frequenzen hin, durch die Induktivität.
Der gesuchte "Fehler" im Kabel ist auch dabei , allerdings eben auf selber Frequenz, wie das anregende Signal. Daher auch bei den "üblichen" Messungen nicht festzustellen. Man könnte es sich so vorstellen: das Signal wird (in jedem Kabel) durch die Felder (M + E ) übertragen, aber der gesuchte "Seiteneffekt" der Sache ist: der Feld-Auf- und Ab-Bau ist nicht unendlich schnell (und es gibt auch noch Verluste dabei); je mehr Energie in störenden Feldern steckt, desto mehr kommt am Ende dann eben verzögert heraus. Grundsätzlich liegt das im Bereich unter 1% oder so, sprich, zb auf nem Oszi mit etwa 40dB Signal-Auflösung sieht man nichts davon.
Wenn also zb ein 1 kHz Sinus vorne rein geht , kommt auch 1kHz hinten raus, da ein Kabel normalerweise keine Nichtlinearität hat, gibts auch keinen Klirr oder sowas zu messen. Was der Unterschied ist: der 1kHz Ton hat eine kleine zusätzliche Phasendrehung, zu der durch Induktivität+Kapazität sowieso vorhandenen Phasendrehung.
Leider auch wieder schlecht zu messen, weil die durch L/C verursachte ja immer vorhanden ist - und wohl viel grösser.
"Ein" Kabel so zu messen, gibt leider keine Information zu der gesuchten "extra" Phasendrehung.
Man müsste also ein "gutes" Kabel mit einem "schlechten" vergleichen, wobei beide identisch gleiche Länge, Kapazität und Induktivität haben : das "schlechte" sollte etwas mehr Phasendrehung zeigen - das ist der "mysteriöse" Kabelklang. Also wieder nahezu unmöglich, das "mal so einfach mit Sinustönen" zu messen.
Ich hoffe daher, es "im Zeitbereich" mit den ADCs zu "erwischen" , was vor allem den Vorteil hätte, auch einfach "ein Stück Draht" prüfen zu können, oder nahezu unmögliche vergleichende Messungen zu benötigen.
Don't worry about getting older. You're still gonna do dumb stuff...only slower.
Registered
Beiträge: 1.395
Themen: 28
Registriert: Jul 2024
Eine Kabel-Impedanz setzt sich aus einem realen und einem imaginären Widerstand zusammen.
Mit einer Impedanzmessbrücke kann man diese Größen so einstellen, dass ein Millivoltmeter keinen Unterschied mehr feststellen kann.
Der Kabelklang versteckt sich in den Einstellungen der Impedanzmessbrücke.
Wir müssen also eine Impedanzmessbrücke erstellen, die ein Kabel hinreichend genau abbilden kann.
Und das ist sehr einfach.
Administrator
Beiträge: 10.658
Themen: 172
Registriert: Jun 2005
Sag an ...
(Ich habe noch nichts von dem digitalen Messdiener gebaut, nur mal die Software Umgebung vorbereitet, da die Auswertung der Daten ja dann auch noch ein Problem ist - ich dachte erstmal an DFT, dann die mit den ADC wirklich erzielte Auflösung angucken....)
Don't worry about getting older. You're still gonna do dumb stuff...only slower.
Registered
Beiträge: 1.395
Themen: 28
Registriert: Jul 2024
Hab bitte etwas Geduld mit mir. Ich hab ne ganz schräge Idee, die ich gleich ausprobieren werde.
Registered
Beiträge: 1.395
Themen: 28
Registriert: Jul 2024
17.03.2025, 11:01 AM
(Dieser Beitrag wurde zuletzt bearbeitet: 17.03.2025, 11:55 AM von Gucki.)
Ich denke an sowas Simples:
Noch nicht simuliert/probiert.
Es geht darum, die Brücke soweit zu nullen, dass Du stets mit 1mV per MV21 messen kannst.
Der Wirkwiderstand und Delay wird kompensiert. Das sollte die Brücke schon mal frequenzunabhängig fast nullen.
Entweder kannst Du den Klang dann schon am Millivoltmeter ablesen. Bei jeder Frequenz kriegst Du also einen Spannungswert und die sich ergebende Kurve beschreibt den Klang.
Oder der C1-Kreis zur Feinabstimmung der jeweiligen Phase ist auch noch nötig. Dann wird die Einstellung und Auswertung aber schon unbequem.
------------------
Ich seh gerade noch schlimme Bugs. Aber erstmal egal. Das Prinzip wird hoffentlich klar.
Es gibt noch ne Alternative: ich könnte gezielt nur die Spannung auf dem Kabel zur Anzeige bringen, was nicht in Phase mit dem Eingangssignal ist. Denn nur diese "out-of-phase"-Spannung kann ja "Klang" bewirken.
Ich guck mir das mal an....
Registered
Beiträge: 1.395
Themen: 28
Registriert: Jul 2024
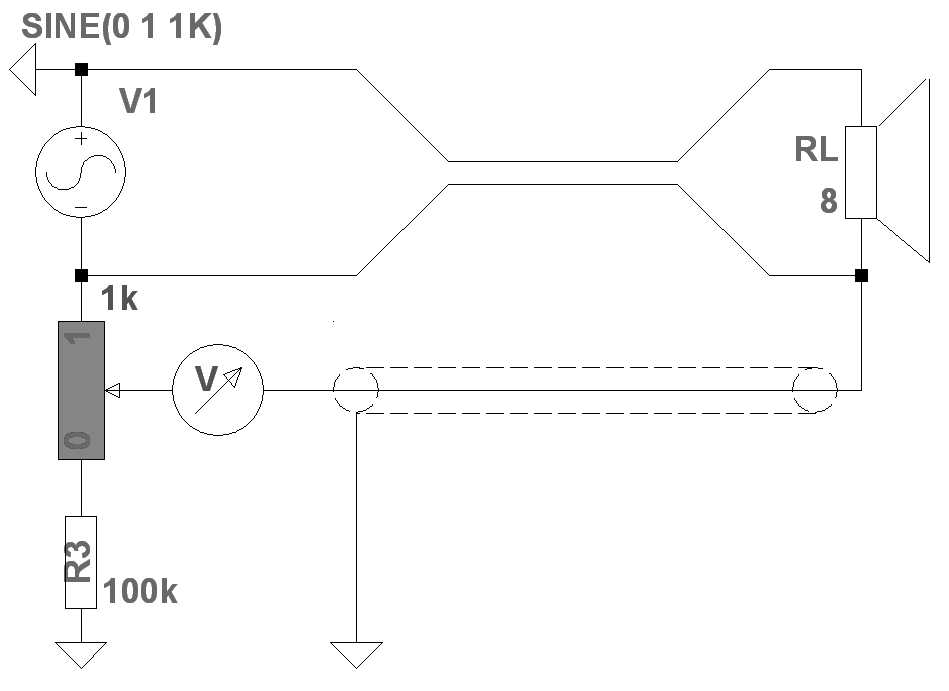
So gefällt mir das schon viel besser:
Nun muss ich eine Diode nur noch umdrehen und den Phasenvergleich einseitig machen, damit wir das MV21 erden können.
Die Schaltung läuft übrigens. Ich hatte die schonmal im alten Forum demonstriert.
Registered
Beiträge: 1.395
Themen: 28
Registriert: Jul 2024
17.03.2025, 02:10 PM
(Dieser Beitrag wurde zuletzt bearbeitet: 17.03.2025, 02:36 PM von Gucki.)
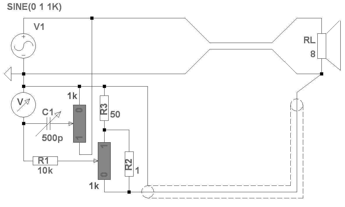
So... paar mal gewendet und gedreht. Das ist die Lösung:
Das Poti dient zur Kompensation des Leitungswirkwiderstands. Das Coaxkabel zur Delay-Kompensation. Und das MV21 zeigt nur Phasenfehler an. Also den Blindwert der Impedanz. Und das ist Klang. Mehr wäre weniger.
Ich hatte versprochen dass es einfach wird.
Ach Mist. Das Coaxkabel muss mit 50 Ohm terminiert werden und wird dann mit der Masse des MV21 verbunden. Vielleicht kann ich das noch irgendwie umdrehen. Mal gucken.
Registered
Beiträge: 1.395
Themen: 28
Registriert: Jul 2024
So..... ich bau das nürlich auch noch auf
Registered
Beiträge: 1.395
Themen: 28
Registriert: Jul 2024
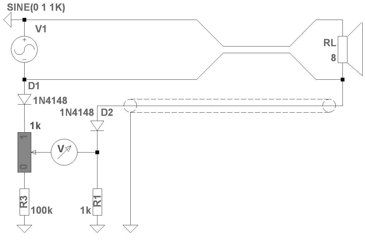
Ich hab ein kleines Problem.....
Mein mV-Meter ist geerdet, also nicht potentialfrei.
Oha. Das macht die Sache schwieriger. Ob mir da ne Lösung einfällt?
Administrator
Beiträge: 10.658
Themen: 172
Registriert: Jun 2005
17.03.2025, 06:43 PM
(Dieser Beitrag wurde zuletzt bearbeitet: 17.03.2025, 06:44 PM von alfsch.)
Gut jongliert !
+ das MV21 is 2-polig am Netz.
btw malst du das im swcad ?
Don't worry about getting older. You're still gonna do dumb stuff...only slower.
Registered
Beiträge: 1.395
Themen: 28
Registriert: Jul 2024
Ja. Ich mal das mit LTSpice. Aber da immer weiß auf schwarz. Um es hier darzustellen, wandele ichs erst in Graustufen und invertiere dann. Das passt besser zum Foren-Style.
Mit Deinem MV21 sollte die Brücke klappen.
Ich werde wahrscheinlich zur Potentialtrennung einfach einen kleinen Signaltrafo vors Millivoltmeter schalten. Ich will ja nur wissen, ob ich sauber nullen kann.
Das mach ich morgen früh.
Registered
Beiträge: 1.395
Themen: 28
Registriert: Jul 2024
17.03.2025, 07:58 PM
(Dieser Beitrag wurde zuletzt bearbeitet: 17.03.2025, 07:59 PM von Gucki.)
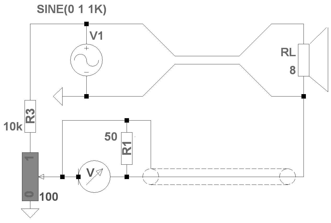
Die Grundidee ist also:
- Die Laufzeitverzögerung wird mit dem Koaxkabel kompensiert. Es geht nur um Nanosekunden.
- Der Gleichstromwiderstand des Kabels wird mit dem Poti kompensiert.
- Und zur Anzeige kommen nur klangbestimmende Phasenunterschiede. Für jede Signalfrequenz also ein Messwert.
Mal gucken, ob wir dieses Konzept zur Realität machen können. Es wäre eine Verfeinerung der bisherigen plumpen Parallelmessung. Aber bestimmt hab ich irgendwas wichtiges übersehen...
Registered
Beiträge: 1.395
Themen: 28
Registriert: Jul 2024
18.03.2025, 05:42 AM
(Dieser Beitrag wurde zuletzt bearbeitet: 18.03.2025, 05:52 AM von Gucki.)
Naja... übersehen nicht. Aber vielleicht noch nicht tief genug urchdacht.....
Am rechten Anschluss des Voltmeters ist der Kabelklang als Funktion des Lautsprecherstroms und dem Kabelklang des oberen Drahtes. Am linken Anschluss des Voltmeters das reine Signal aus dem Amp.
Das muss so sein, weil ich sonst die Phasenverschiebung des Kabels nicht messen kann.
Das Problem ist der Lautsprecher. Der gaukelt uns Kabelklang vor, der gar nicht vom Kabel kommt. Der Ersatz des Lautsprechers durch einen Wirkwiderstand wäre aber auch Unsinn, weil der Kabelklang und Lautsprecher einander bedingen.
Hmmm... promovieren probieren geht über studieren.
Administrator
Beiträge: 10.658
Themen: 172
Registriert: Jun 2005
Nee, sehe ich nicht so - der Effekt des Kabels ist da, mit oder ohne Lautsprecher, er wird dadurch nur noch komplexer als mit Widerstand. Daher würde ich zum Messen sowieso einen Widerstand nehmen.
Don't worry about getting older. You're still gonna do dumb stuff...only slower.
Registered
Beiträge: 1.395
Themen: 28
Registriert: Jul 2024
Ich wollte gerade vorschlagen, dass wir einfach nur die Spannung am Kabelstück und den Strom im Kabelstück vergleichend messen.
Zur Strommessung also ein Ferritkern, wo nur ein Kabelstück durchgeschoben wird und der ein paar Windungen hat. Also ein Stromwandler.
Damit sind wir auch gleichzeitig das Erdproblem los.
Registered
Beiträge: 1.395
Themen: 28
Registriert: Jul 2024
18.03.2025, 12:14 PM
(Dieser Beitrag wurde zuletzt bearbeitet: 18.03.2025, 12:25 PM von Gucki.)
Nordischer Stil. Schlicht. Schnörkellos. Und praktisch.
Ein bisschen Ikea
Modell "Brøcke"
Registered
Beiträge: 1.395
Themen: 28
Registriert: Jul 2024
Das Problem ist allerdings, dass so ein Wandler selbst Dreck erzeugt. Wahrscheinlich messen wir zum Schluss dann nur Stromwandler-Klang.
Ne... so geht das noch nicht.