• .
  • Willkommen im Forum!
  • Alles beim Alten...
  • Du hast kaum etwas verpasst ;-)
  • Jetzt noch sicherer mit HTTPS
Hallo, Gast! Anmelden Registrieren


Das "Geheimnis" kleiner Bluetooth Lautsprecher CSR
Wink 
Hallo zusammen,

seit längerem bin ich schon in Beiträgen wie diesen unterwegs und konnte als stiller Leser schon eine ganze Menge nützlicher Informationen gewinnen, die mir wirklich weitergeholfen haben.

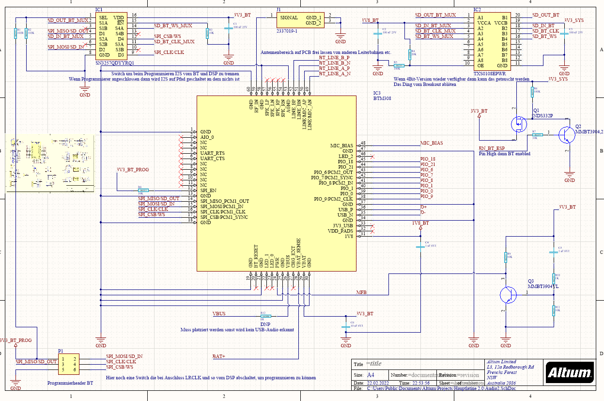
Aktuell bin ich an einem modularen Soundboard dran, welches verschiedene Audio-Inputs wie Bluetooth, AUX, WiFi etc. akzeptiert und diese digital oder analog ausgeben kann. Das wäre bereits die zweite Iteration des Projektes. Soweit funktioniert das meiste wie geplant,  jedoch hapert es noch am Bluetooth-Modul.

Verwendet wird ein QCC3008 Breakout-Board, welches Audio per Bluetooth empfängt und per I2S an einen ADAU1701 weiterleitet. Die passende Konfiguration etc. habe ich bereits in der ADK vorgenommen und ein Audio-Stream, mehrere angeschlossene Geräte etc. sind möglich. Jedoch ist das Ausgangssignal (QCC3008 --> ADAU1701 --> PCM5102) stark verrauscht und hört sich so an, als ob die Clocks nicht recht zueinander passen oder untereinander verzögert sind.

Unter Sigma-Studio habe ich auch alle möglichen Konfigurationen ausprobiert, jedoch ohne Erfolg. Entweder gibts gar kein Signal oder verschiedene Variationen von stark verrauscht. Ich weiß leider nicht wie man hier Bilder anfügt, sonst hätte ich Bilder der Konfigurationen und Schalpläne psoten können. Kann ich aber nachliefern, sobald ich weiß wie das geht.

Hätte jemand spontan eine Idee, was das Problem sein könnte? Noch ein paar mehr Infos: zwischen BT-Modul und ADAU befindet sich ein Level-Shifter
(TXS0108E) und zwei Muxe (SN3257QDYYRQ1), um verschiedene I2S-Quellen an den DSP zu übergeben. Auf dem Oszilloskop sehen die I2S-SIgnale an sich nicht schlecht aus. könnte es an den Muxen liegen oder hat der QCC3008 allgemein ein Problem in Kombination mit einem PCM5102? Testweise habe ich den Level-Shifter abgelötet und das ganze nochmal probiert. Ergebnis: Audio genauso verrauscht wie vorher. Beim Vorgänger habe ich auf einen CSRA64215 zurückgegriffen. Dort hatte ich identische Probleme, bis ich einen Level-Shifter verbaut habe. Dann lief es. Dort wurden ebenfalls PCM5102-ICs über einen ADAU angesprochen.

Ich wäre Dankbar, wenn jemand mir weiterhelfen könnte.

Zwei weitere Kleinigkeiten bezüglich des BT-Moduls wäre die Verwendung von Mikrofonen und das Anzeigen des AKkustandes auf dem Handy.
Zu erstem: Ich habe die beiden differentiellen Line/Mic Ports mit zwei analogen Mikrofonen (CMEJ-0733-42-L050) beschaltet. Zu jedem Gehört eine entsprechende Vorschaltung, welche ich aus dem Datenblatt des QCCs entnommen habe. Jedoch habe ich da mit egal welcher Einstellung kein Signal an den Inputs. Wo könnte auch hier das Problem liegen? Gibt es vielleicht Versionen der BT-Module, bei denen diese Funktion nicht freigeschaltet ist? Lese bei diversen Anbietern "no call function" aber kann das nicht recht zuordnen. Meinen die damit wahrscheinlich die Konfiguration in der Adk? Oder ist es doch tatsächlich nicht möglich mit einigen Boards?

Die letzte Sache die ich mir wünschen würde, wäre das Anzeigen des Akkustandes des Akkus am BT-Modul auf dem Handy. Da hatte ich bisher auch keinen Erfolg. Hat jemand das Feature schonmal zum Laufen bekommen? Und noch eine Sache. Gibt es irgendwo Infos wie man Zustände (z.B. Audio streaming, call incoming etc.) per I2C, UART oder SPi auslesen kann? Momentan mache ich es über Transistorschaltungen. Das sollte doch eigentlich auch ohne extra HW gehen?


Angehängte Dateien Thumbnail(s)
                       
 
Reply
  


Nachrichten in diesem Thema
[Kein Betreff] - von christianw. - 01.05.2015, 01:48 PM
[Kein Betreff] - von christianw. - 01.05.2015, 01:50 PM
[Kein Betreff] - von Basstler - 25.05.2015, 02:18 PM
[Kein Betreff] - von christianw. - 30.05.2015, 08:06 PM
[Kein Betreff] - von MP1993 - 20.09.2015, 07:27 PM
[Kein Betreff] - von christianw. - 20.09.2015, 09:33 PM
[Kein Betreff] - von rocco75 - 02.04.2016, 12:54 PM
[Kein Betreff] - von christianw. - 02.04.2016, 03:25 PM
[Kein Betreff] - von rocco75 - 01.05.2016, 01:38 PM
[Kein Betreff] - von christianw. - 01.05.2016, 08:24 PM
[Kein Betreff] - von scooot - 16.05.2016, 10:23 PM
[Kein Betreff] - von christianw. - 16.05.2016, 11:10 PM
[Kein Betreff] - von christianw. - 30.05.2016, 11:18 PM
[Kein Betreff] - von scooot - 31.05.2016, 10:04 PM
[Kein Betreff] - von christianw. - 31.05.2016, 10:27 PM
[Kein Betreff] - von scooot - 31.05.2016, 10:40 PM
[Kein Betreff] - von christianw. - 01.06.2016, 11:40 PM
[Kein Betreff] - von rocco75 - 02.06.2016, 06:35 AM
[Kein Betreff] - von scooot - 02.06.2016, 08:34 AM
[Kein Betreff] - von rocco75 - 02.06.2016, 09:25 PM
[Kein Betreff] - von christianw. - 02.06.2016, 10:32 PM
[Kein Betreff] - von rocco75 - 05.06.2016, 07:40 PM
[Kein Betreff] - von christianw. - 05.06.2016, 08:56 PM
[Kein Betreff] - von rocco75 - 06.06.2016, 06:13 AM
[Kein Betreff] - von rocco75 - 06.06.2016, 06:15 AM
[Kein Betreff] - von kahlo - 06.06.2016, 08:59 AM
[Kein Betreff] - von christianw. - 06.06.2016, 10:07 AM
[Kein Betreff] - von rocco75 - 06.06.2016, 05:24 PM
[Kein Betreff] - von rocco75 - 06.06.2016, 05:30 PM
[Kein Betreff] - von rocco75 - 06.06.2016, 05:31 PM
[Kein Betreff] - von rocco75 - 06.06.2016, 05:39 PM
[Kein Betreff] - von christianw. - 06.06.2016, 06:47 PM
[Kein Betreff] - von rocco75 - 06.06.2016, 06:55 PM
[Kein Betreff] - von rocco75 - 06.06.2016, 06:58 PM
[Kein Betreff] - von rocco75 - 08.06.2016, 07:57 PM
RE: - von voltwide - 08.06.2016, 11:48 PM
[Kein Betreff] - von scooot - 13.06.2016, 04:29 PM
RE: - von christianw. - 14.06.2016, 01:19 PM
[Kein Betreff] - von rocco75 - 17.06.2016, 06:13 AM
[Kein Betreff] - von christianw. - 17.06.2016, 01:11 PM
[Kein Betreff] - von scooot - 17.06.2016, 11:30 PM
[Kein Betreff] - von voltwide - 18.06.2016, 12:33 AM
[Kein Betreff] - von scooot - 18.06.2016, 09:04 AM
[Kein Betreff] - von christianw. - 18.06.2016, 10:33 AM
[Kein Betreff] - von rocco75 - 18.06.2016, 08:27 PM
[Kein Betreff] - von christianw. - 20.06.2016, 03:32 PM
[Kein Betreff] - von rocco75 - 20.06.2016, 04:20 PM
[Kein Betreff] - von christianw. - 20.06.2016, 04:36 PM
[Kein Betreff] - von rocco75 - 21.06.2016, 07:55 AM
[Kein Betreff] - von christianw. - 28.06.2016, 12:45 AM
[Kein Betreff] - von scooot - 11.07.2016, 08:46 PM
[Kein Betreff] - von scooot - 12.07.2016, 12:12 PM
RE: - von christianw. - 12.07.2016, 11:29 PM
[Kein Betreff] - von rocco75 - 13.07.2016, 04:41 PM
RE: - von scooot - 14.07.2016, 12:35 AM
[Kein Betreff] - von christianw. - 14.07.2016, 01:01 AM
[Kein Betreff] - von jonas_e - 22.07.2016, 03:17 PM
[Kein Betreff] - von rocco75 - 22.07.2016, 08:08 PM
[Kein Betreff] - von scooot - 22.07.2016, 09:21 PM
[Kein Betreff] - von jonas_e - 23.07.2016, 12:33 PM
Software - von mash.m - 03.08.2016, 04:56 PM
[Kein Betreff] - von mash.m - 04.08.2016, 09:54 AM
RE: Das "Geheimnis" kleiner Bluetooth Lautsprecher CSR - von rene.scholze - 07.11.2017, 06:05 PM
RE: Das "Geheimnis" kleiner Bluetooth Lautsprecher CSR - von rene.scholze - 08.11.2017, 09:08 AM
RE: Das "Geheimnis" kleiner Bluetooth Lautsprecher CSR - von NR_Pete - 23.02.2022, 12:00 AM