31.10.2018, 12:07 PM
(22.10.2018, 05:26 PM)christianw. schrieb: Funktioniert es so?
Hallo Christian,
habe leider erst vor kurzen eine Mail bekommen, dass sich hier im Thread wieder was getan hat.
Leider funktioniert es noch nicht.. Ich habe sämtliche Treiber ausprobiert/erzwungen (Treibersignatur deaktiviert/ Treiberconfigs angepasst). Der von Treiber in der BlueSuite ist ein Treiber der Klasse "USB" und kann nicht auf Geräte der Klasse "Bluetooth" angewandt werden (wenn durch Modifikation erzwungen, läuft das Gerät trotzdem nicht).
Ahhh Moment mal.... Grad nochmal alles genau nachgeschaut und es hat sich doch zu dem "Generic Bluetooth Module" noch ein weiteres "USB-Verbundgerät" der Klasse "USB" eingeschlichen. Wenn ich den CSR Treiber (sogar mit Signatur) jetzt anwende, scheint alles richtig erkannt zu werden. Die "Generic Bluetooth Module" sind damit auch verschwunden. In PSTool unter USB sehe ich jetzt ein Modul "\\. \csr0", was auch so aussehen sollte. Wenn ich jedoch verbinden will kommt die Meldung:
Wenn mir jetzt noch einer sagen könnte wie ich das beheben kann, wär ich sehr dankbar

Da ich obiges bis heute nicht bemerkt habe, hab ich mit dem CSRA68215 erst mal aufgegeben und mit dem CSR8675 Modul weiter gemacht.
Hierbei hab ich noch ein weiteres Problem:
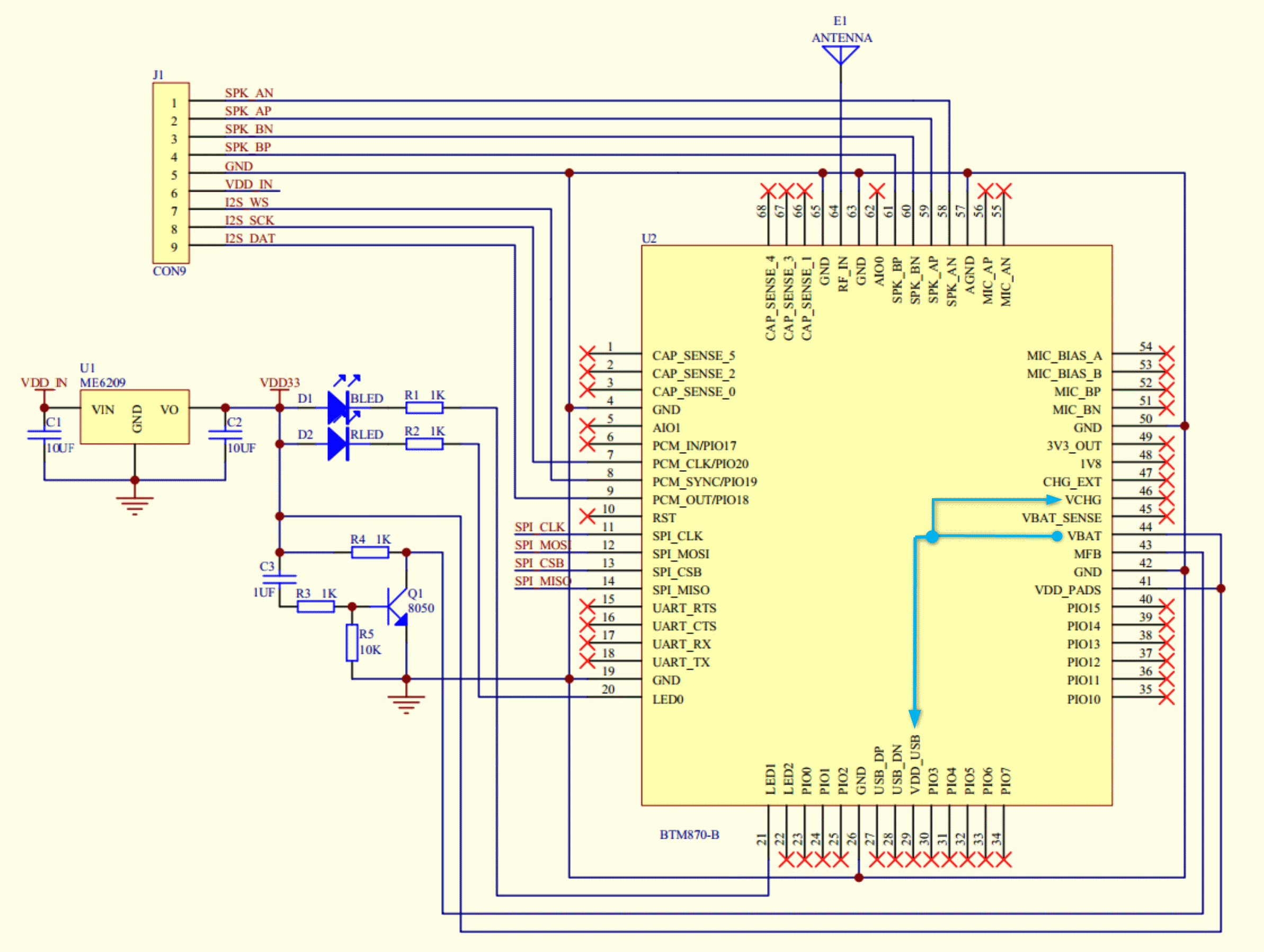
Damit USB funktioniert, musste ich an VDD_USB und VBUS (auch VCHG genannt) 3.3V anlegen. Sobald ich aber 3.3V an VBUS anlege, gehen die LEDs aus und der Chip ist per Bluetooth nicht mehr auffindbar. Er wird stattdessen aber per USB erkannt z.B. als Soundkarte (Output geht aber auch nicht). Auch per Programmer kann ich in diesem Zustand noch kommunizieren. Es scheint als würde er die VM deaktivieren, sie ist aber per Programmer aktiviert und das Modul tut trotzdem keine Regung.
Hier der Schaltplan meines Moduls und meine Anpassungen in Blau.
Gibt's hier noch eine PSKEY den man ändern muss oder andere Pins/Spannungslevel zu beachten?
Vielen Dank schon mal!