• .
  • Willkommen im Forum!
  • Alles beim Alten...
  • Du hast kaum etwas verpasst ;-)
  • Jetzt noch sicherer mit HTTPS
Hallo, Gast! Anmelden Registrieren


Fusspedal Pfaff 360
#20
Die Nähmaschine ist gerade nicht parat.
Denke der Fehler ist aber eh offensichtlich oder nicht. Bin ja nicht der einzige mit der Kinderkrankheit.

Werde mich dann melden wenn ich sie da habe. Muss ja eh nochmal den Motorfilter angucken.
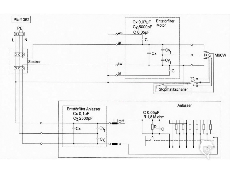
Habe die Elkos im eingebauten zustand durchgemessen. Reiche die Werte später nach.

edit: gemessen mit UT136B bzw UT 139C

Cx 216nF bzw 224nF
Cy1 und Cy2 je 8nF bzw 5.92nF

Elko: 217nF btw 226 nF , wobei hier wohl ausgebaut werden müsste glaube ich

Kann jemand bitte den Schaltplanscreenshot aus dem Post #2 ersetzen hiermit:
   

Abweichungen der DMM laut Anleitung:
   
   
Im Übrigen bin ich der Meinung: Karthago muss zerstört werden.
 
Reply
  


Nachrichten in diesem Thema
Fusspedal Pfaff 360 - von r0cknrolla - 25.06.2018, 12:07 AM
RE: Fusspedal Pfaff 360 - von r0cknrolla - 25.06.2018, 10:12 AM
RE: Fusspedal Pfaff 360 - von voltwide - 25.06.2018, 02:50 PM
RE: Fusspedal Pfaff 360 - von r0cknrolla - 25.06.2018, 07:53 PM
RE: Fusspedal Pfaff 360 - von alfsch - 25.06.2018, 09:51 PM
RE: Fusspedal Pfaff 360 - von r0cknrolla - 25.06.2018, 11:06 PM
RE: Fusspedal Pfaff 360 - von alfsch - 25.06.2018, 11:40 PM
RE: Fusspedal Pfaff 360 - von r0cknrolla - 26.06.2018, 12:07 AM
RE: Fusspedal Pfaff 360 - von alfsch - 26.06.2018, 12:14 AM
RE: Fusspedal Pfaff 360 - von voltwide - 26.06.2018, 12:39 AM
RE: Fusspedal Pfaff 360 - von christianw. - 26.06.2018, 09:54 AM
RE: Fusspedal Pfaff 360 - von r0cknrolla - 26.06.2018, 11:01 AM
RE: Fusspedal Pfaff 360 - von alfsch - 26.06.2018, 11:14 AM
RE: Fusspedal Pfaff 360 - von r0cknrolla - 26.06.2018, 11:21 AM
RE: Fusspedal Pfaff 360 - von christianw. - 26.06.2018, 11:35 AM
RE: Fusspedal Pfaff 360 - von r0cknrolla - 26.06.2018, 11:42 AM
RE: Fusspedal Pfaff 360 - von christianw. - 26.06.2018, 11:59 AM
RE: Fusspedal Pfaff 360 - von r0cknrolla - 26.06.2018, 12:10 PM
RE: Fusspedal Pfaff 360 - von alfsch - 26.06.2018, 12:28 PM
RE: Fusspedal Pfaff 360 - von r0cknrolla - 26.06.2018, 01:19 PM
RE: Fusspedal Pfaff 360 - von r0cknrolla - 02.07.2018, 07:14 PM
RE: Fusspedal Pfaff 360 - von alfsch - 02.07.2018, 08:20 PM
RE: Fusspedal Pfaff 360 - von christianw. - 02.07.2018, 08:40 PM
RE: Fusspedal Pfaff 360 - von alfsch - 02.07.2018, 08:50 PM
RE: Fusspedal Pfaff 360 - von r0cknrolla - 02.07.2018, 10:55 PM
RE: Fusspedal Pfaff 360 - von kahlo - 03.07.2018, 08:55 AM
RE: Fusspedal Pfaff 360 - von r0cknrolla - 03.07.2018, 09:40 AM
RE: Fusspedal Pfaff 360 - von kahlo - 03.07.2018, 12:28 PM
RE: Fusspedal Pfaff 360 - von r0cknrolla - 03.07.2018, 12:41 PM
RE: Fusspedal Pfaff 360 - von christianw. - 03.07.2018, 01:07 PM
RE: Fusspedal Pfaff 360 - von r0cknrolla - 03.07.2018, 01:18 PM
RE: Fusspedal Pfaff 360 - von christianw. - 03.07.2018, 02:11 PM
RE: Fusspedal Pfaff 360 - von voltwide - 03.07.2018, 03:19 PM
RE: Fusspedal Pfaff 360 - von r0cknrolla - 05.07.2018, 11:51 AM
RE: Fusspedal Pfaff 360 - von kahlo - 05.07.2018, 12:37 PM
RE: Fusspedal Pfaff 360 - von r0cknrolla - 05.07.2018, 01:05 PM
RE: Fusspedal Pfaff 360 - von voltwide - 05.07.2018, 01:28 PM
RE: Fusspedal Pfaff 360 - von kahlo - 05.07.2018, 02:39 PM
RE: Fusspedal Pfaff 360 - von alfsch - 05.07.2018, 05:32 PM
RE: Fusspedal Pfaff 360 - von r0cknrolla - 07.07.2018, 11:34 AM
RE: Fusspedal Pfaff 360 - von alfsch - 07.07.2018, 12:36 PM
RE: Fusspedal Pfaff 360 - von r0cknrolla - 07.07.2018, 01:15 PM
RE: Fusspedal Pfaff 360 - von voltwide - 08.07.2018, 04:29 PM
RE: Fusspedal Pfaff 360 - von alfsch - 07.07.2018, 01:24 PM
RE: Fusspedal Pfaff 360 - von r0cknrolla - 07.07.2018, 02:35 PM
RE: Fusspedal Pfaff 360 - von christianw. - 07.07.2018, 03:15 PM
RE: Fusspedal Pfaff 360 - von r0cknrolla - 07.07.2018, 03:26 PM
RE: Fusspedal Pfaff 360 - von alfsch - 07.07.2018, 03:47 PM
RE: Fusspedal Pfaff 360 - von r0cknrolla - 07.07.2018, 04:36 PM
RE: Fusspedal Pfaff 360 - von r0cknrolla - 08.07.2018, 01:46 PM
RE: Fusspedal Pfaff 360 - von christianw. - 08.07.2018, 03:04 PM
RE: Fusspedal Pfaff 360 - von alfsch - 08.07.2018, 04:14 PM
RE: Fusspedal Pfaff 360 - von r0cknrolla - 08.07.2018, 04:29 PM
RE: Fusspedal Pfaff 360 - von alfsch - 08.07.2018, 05:42 PM
RE: Fusspedal Pfaff 360 - von r0cknrolla - 08.07.2018, 05:51 PM
RE: Fusspedal Pfaff 360 - von alfsch - 08.07.2018, 05:28 PM
RE: Fusspedal Pfaff 360 - von alfsch - 08.07.2018, 07:39 PM
RE: Fusspedal Pfaff 360 - von r0cknrolla - 09.07.2018, 03:02 PM
RE: Fusspedal Pfaff 360 - von r0cknrolla - 22.07.2018, 10:41 PM
RE: Fusspedal Pfaff 360 - von christianw. - 23.07.2018, 02:23 PM
RE: Fusspedal Pfaff 360 - von r0cknrolla - 23.07.2018, 05:30 PM
RE: Fusspedal Pfaff 360 - von r0cknrolla - 02.03.2019, 07:48 PM
RE: Fusspedal Pfaff 360 - von christianw. - 03.03.2019, 12:02 AM
RE: Fusspedal Pfaff 360 - von E_Tobi - 03.03.2019, 12:15 AM
RE: Fusspedal Pfaff 360 - von r0cknrolla - 03.03.2019, 10:59 AM
RE: Fusspedal Pfaff 360 - von r0cknrolla - 06.03.2019, 02:11 PM
RE: Fusspedal Pfaff 360 - von alfsch - 06.03.2019, 04:09 PM
RE: Fusspedal Pfaff 360 - von r0cknrolla - 06.03.2019, 08:57 PM
RE: Fusspedal Pfaff 360 - von r0cknrolla - 06.03.2019, 10:49 PM
RE: Fusspedal Pfaff 360 - von buyman - 06.03.2019, 11:46 PM
RE: Fusspedal Pfaff 360 - von christianw. - 07.03.2019, 12:46 AM
RE: Fusspedal Pfaff 360 - von buyman - 07.03.2019, 10:13 PM
RE: Fusspedal Pfaff 360 - von alfsch - 07.03.2019, 11:12 PM
RE: Fusspedal Pfaff 360 - von r0cknrolla - 07.03.2019, 12:55 AM
RE: Fusspedal Pfaff 360 - von kahlo - 07.03.2019, 01:35 AM
RE: Fusspedal Pfaff 360 - von alfsch - 07.03.2019, 11:21 AM
RE: Fusspedal Pfaff 360 - von christianw. - 07.03.2019, 11:28 PM
RE: Fusspedal Pfaff 360 - von r0cknrolla - 08.03.2019, 04:38 PM
RE: Fusspedal Pfaff 360 - von alfsch - 08.03.2019, 08:21 PM
RE: Fusspedal Pfaff 360 - von r0cknrolla - 08.03.2019, 11:46 PM
RE: Fusspedal Pfaff 360 - von alfsch - 08.03.2019, 11:54 PM
RE: Fusspedal Pfaff 360 - von r0cknrolla - 09.03.2019, 12:07 AM
RE: Fusspedal Pfaff 360 - von alfsch - 09.03.2019, 12:11 AM
RE: Fusspedal Pfaff 360 - von r0cknrolla - 09.03.2019, 12:13 AM
RE: Fusspedal Pfaff 360 - von alfsch - 09.03.2019, 12:17 AM
RE: Fusspedal Pfaff 360 - von r0cknrolla - 09.03.2019, 12:25 AM
RE: Fusspedal Pfaff 360 - von r0cknrolla - 09.03.2019, 03:43 PM
RE: Fusspedal Pfaff 360 - von buyman - 09.03.2019, 04:02 PM