24.09.2016, 03:02 AM
(Dieser Beitrag wurde zuletzt bearbeitet: 24.09.2016, 03:14 AM von christianw..)
Gemacht für die Ewigkeit. 
Die USB-Audio Geschichte ist und bleibt eine Krücke, zumindest bei den Briefmarken vom Chinesen. CSR hat hier auch ein wenig gepennt, weil sie den USB-Stack nur über Vbat speisen.
Richtig "gut" gehts nur mit externer Verbindung, mangels herausgeführtem Pin mittels "Wirefix".
(Naja, wenns läuft schon nice, unter Android L 6.X als plugnplay.)
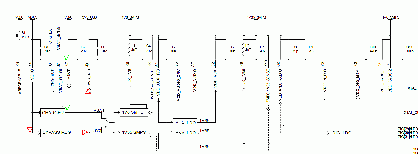
Die Module sind so gebaut:
Wie man sieht, wird 3V3_USB nur über den externen VBUS versorgt (über den BYPASS REG). Würde man das so anschließen um USB-Audio zu haben, funktioniert BT in diesem Moment nicht.
3V3_USB ist auf den Modulen ohne externen Pin, man muss also von VBAT nach 3V3_USB patchen, damit der USB-Stack immer läuft und man sich die USB-Enumeration über einen PIO ziehen kann.
"Self-powered" + USB stellt sich CSR so vor:
Warum VCHRG da mit verbunden ist...
So wäre es wie hier + Wirefix:

Die USB-Audio Geschichte ist und bleibt eine Krücke, zumindest bei den Briefmarken vom Chinesen. CSR hat hier auch ein wenig gepennt, weil sie den USB-Stack nur über Vbat speisen.
Richtig "gut" gehts nur mit externer Verbindung, mangels herausgeführtem Pin mittels "Wirefix".
(Naja, wenns läuft schon nice, unter Android L 6.X als plugnplay.)
Die Module sind so gebaut:
Wie man sieht, wird 3V3_USB nur über den externen VBUS versorgt (über den BYPASS REG). Würde man das so anschließen um USB-Audio zu haben, funktioniert BT in diesem Moment nicht.
3V3_USB ist auf den Modulen ohne externen Pin, man muss also von VBAT nach 3V3_USB patchen, damit der USB-Stack immer läuft und man sich die USB-Enumeration über einen PIO ziehen kann.
"Self-powered" + USB stellt sich CSR so vor:
Warum VCHRG da mit verbunden ist...
So wäre es wie hier + Wirefix: